EasyManua.ls Logo

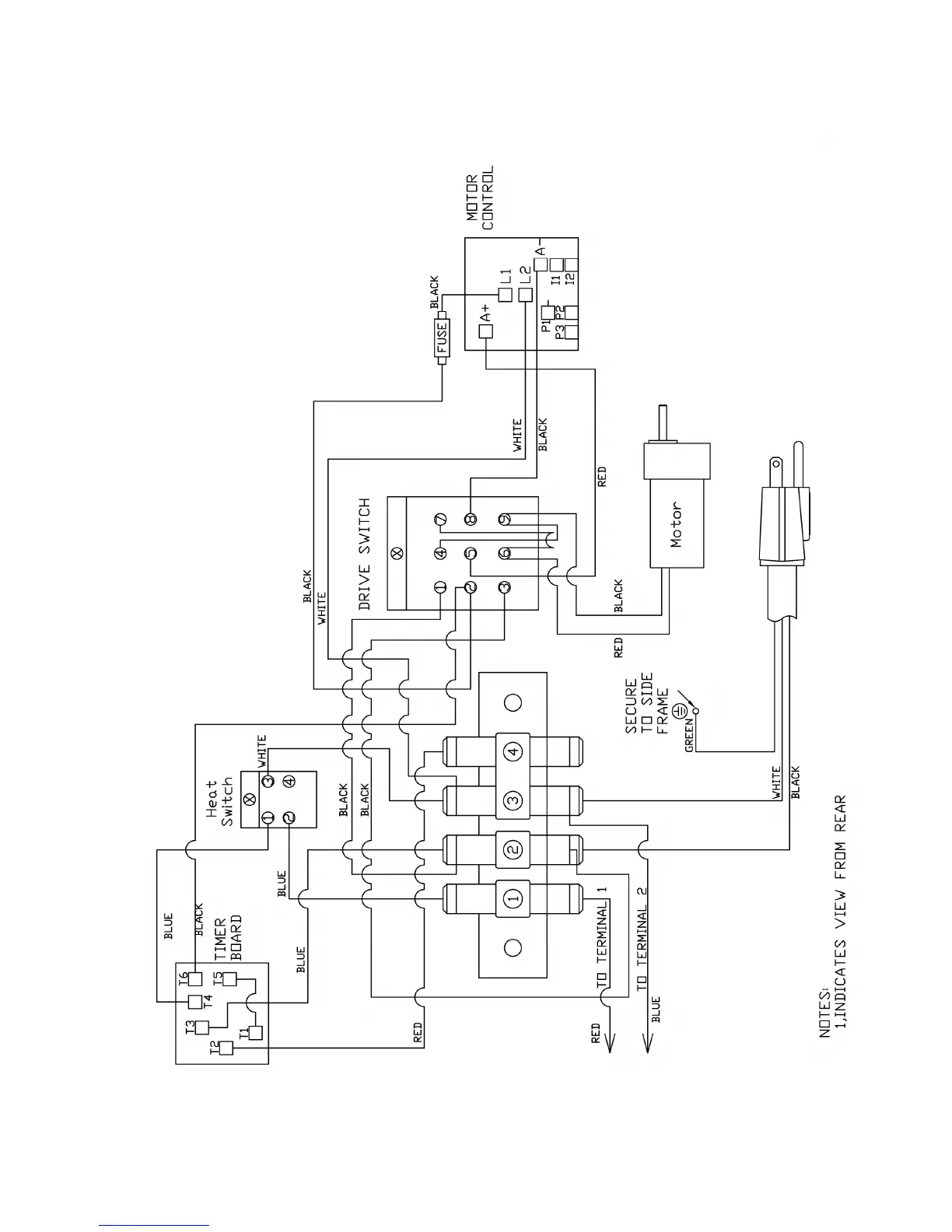
usi CSL2700 - CSL Wiring Diagram Part 1; Main Power and Drive Circuitry

usi CSL2700
34 pages
Print Icon
To Next Page IconTo Next Page
To Next Page IconTo Next Page
To Previous Page IconTo Previous Page
To Previous Page IconTo Previous Page
Loading...
29
PART 1
CSL WIRING DIAGRAM

Other manuals for usi CSL2700

Related product manuals