EasyManua.ls Logo

USTC 2500 jbt - Page 88

Default Icon
98 pages
Print Icon
To Next Page IconTo Next Page
To Next Page IconTo Next Page
To Previous Page IconTo Previous Page
To Previous Page IconTo Previous Page
Loading...
SECTION 7 HYDRAULICS
7-14 USTC January 15, 2001
1282489 Rev. G
Sheet 1
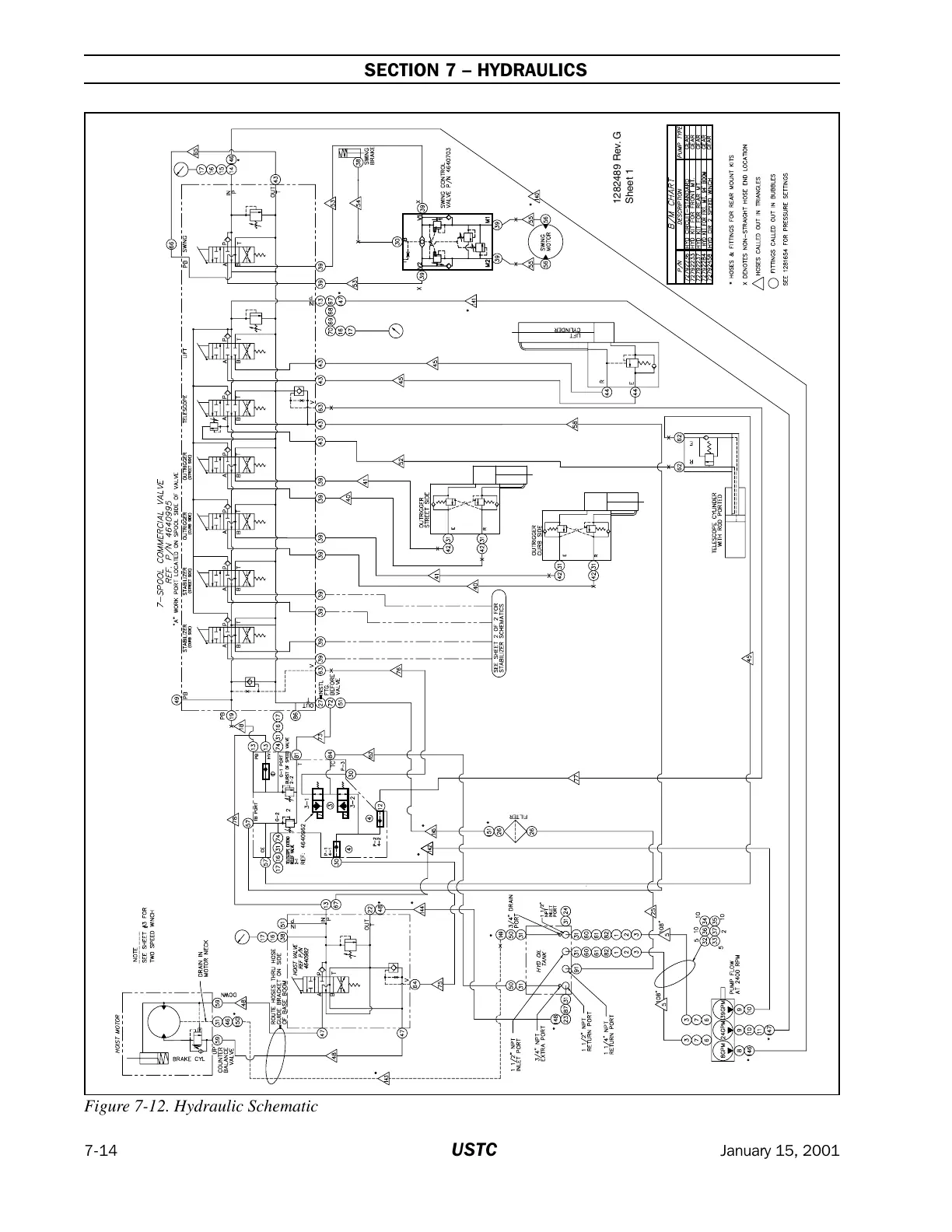
Figure 7-12. Hydraulic Schematic
Courtesy of Crane.Market

Table of Contents