EasyManua.ls Logo

UTICA BOILERS DVB-50 - Page 10

UTICA BOILERS DVB-50
28 pages
Print Icon
To Next Page IconTo Next Page
To Next Page IconTo Next Page
To Previous Page IconTo Previous Page
To Previous Page IconTo Previous Page
Loading...
10
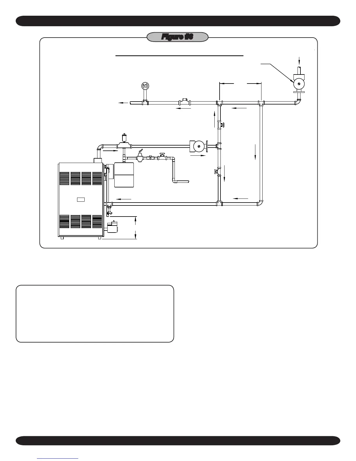
This method is used to protect boilers from condensate C.
forming as well as protecting the heating system from
high water temperatures, see
gure #8
.
NOTE #1: When using bypass piping, adjust
valves A and B until desired system temperature
is obtained.
NOTE #2: Bypass loop must be same size piping
as the supply and return piping.
Installation using circulators is shown in
7. gure #9
.
Installation using zone valves is shown in
8. gure #10
.
For further piping information refer to the I=B=R Installa-
9.
tion and Piping Guide.
CONNECTING SUPPLY & RETURN PIPING
PRIMARY SECONDARY PIPING WITH BYPASS
Figure #8

Related product manuals