EasyManua.ls Logo

V2 GOLD400D Series - Page 88

V2 GOLD400D Series
Print Icon
To Next Page IconTo Next Page
To Next Page IconTo Next Page
To Previous Page IconTo Previous Page
To Previous Page IconTo Previous Page
Loading...
ESPAÑOL
86
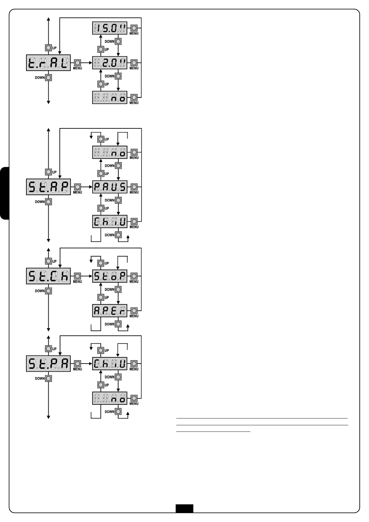
Paro suave
Si esta función está habilitada, durante los últimos segundos de
funcionamiento de la puerta el cuadro comanda el motor a velocidad
reducida, para evitar un golpe violento contra el tope. El tiempo
máximo programable es t.AP.
ATENCION:
Si NO se utiliza la función de autoaprendizaje de los tiempos de
trabajo, se aconseja deshabilitar el paro suave para programar los
tiempos de apertura y cierre, y habilitarlo después de esta
programación; el cuadro calcula automáticamente la prolongación
del tiempo de trabajo necesario causado por el paro suave.
Si el tiempo de apertura parcial t.APP es inferior a t.AP, durante
el ciclo peatonal no hay paro suave en la fase de apertura.
Start en apertura
Este menú permite establecer el comportamiento del cuadro si se recibe
un comando de Start durante la fase de apertura.
PAUS La puerta se para y entra en pausa
ChiU La puerta se vuelve a cerrar inmediatamente
no La puerta continua a abrirse (el comando no viene sentido)
Para programar la lógica de funcionamiento “paso paso”, elegir la
opción PAUS.
Para programar la lógica de funcionamiento “abre siempre”, elegir la
opción no.
Start en cierre
Este menú permite establecer el comportamiento del cuadro si se recibe
un comando de Start durante la fase de cierre.
StoP La puerta se para y el ciclo se considera terminado
APEr La puerta se vuelve a abrir
Para programar la lógica de funcionamiento “paso paso”, elegir la
opción StoP.
Para programar la lógica de funcionamiento “abre siempre”, elegir la
opción APEr.
Start en pausa
Este menú permite establecer el comportamiento del cuadro si se recibe un
comando de Start mientras que la puerta está abierta y en pausa.
ChiU La puerta empieza a cerrarse
no El comando no viene sentido
Para programar la lógica de funcionamiento “paso paso”, elegir la
opción ChiU.
Para programar la lógica de funcionamiento “abre siempre”, elegir la
opción no.
Independientemente de la opción elegida, el comando de Start cierra la
puerta si esta ha sido bloqueado por un comando de Stop o si no se ha
habilitado el cierre automático.

Table of Contents

Related product manuals