EasyManua.ls Logo

Valtra 6000 - Page 143

Valtra 6000
1361 pages
Print Icon
To Next Page IconTo Next Page
To Next Page IconTo Next Page
To Previous Page IconTo Previous Page
To Previous Page IconTo Previous Page
Loading...
138
Model
No Page
17.05.1994
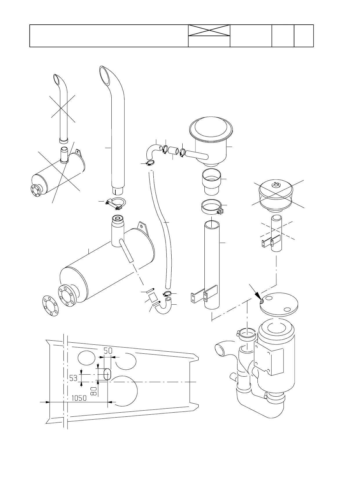
8100, 8400 29.1 2
PRE---CLEANER, FITTING INSTRUCTION
(2)
08.04.1998
6
7
8
9
9
9
9
10
12
13
9
9
11
1A
2B
21
14
14
Tee lovi
Skär skåra
Cut notch

Table of Contents

Related product manuals