EasyManua.ls Logo

Valtra 6000 - Page 175

Valtra 6000
1361 pages
Print Icon
To Next Page IconTo Next Page
To Next Page IconTo Next Page
To Previous Page IconTo Previous Page
To Previous Page IconTo Previous Page
Loading...
168
Model Code Page
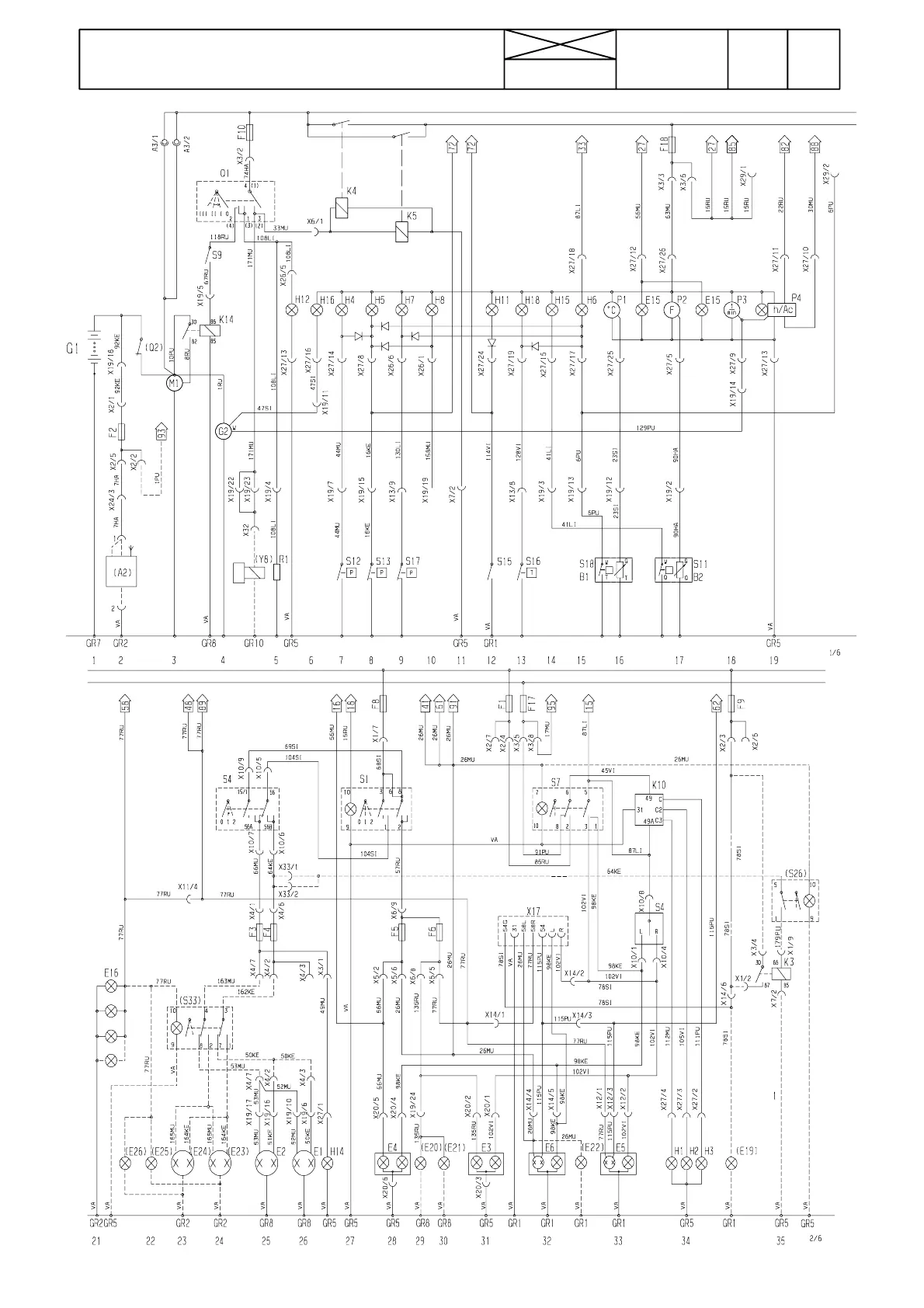
31. Tractor electric system
6000--8400 310 18
1. 1. 1994
318 716 30 B

Table of Contents

Related product manuals