EasyManua.ls Logo

Valtra 6000 - Page 187

Valtra 6000
1361 pages
Print Icon
To Next Page IconTo Next Page
To Next Page IconTo Next Page
To Previous Page IconTo Previous Page
To Previous Page IconTo Previous Page
Loading...
180
Model Code Page
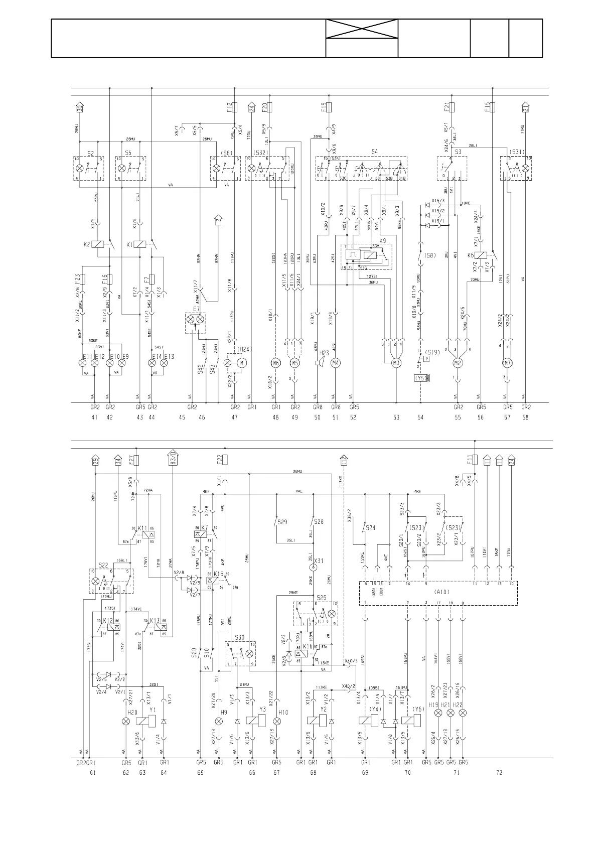
31. Tractor electrical system
15. 5. 1996
6000--8750 310 30
A C D 2 . 1 --- 3 / 8
A C D 2 . 1 --- 4 / 8

Table of Contents

Related product manuals