EasyManua.ls Logo

Valtra 6000 - Page 587

Valtra 6000
1361 pages
Print Icon
To Next Page IconTo Next Page
To Next Page IconTo Next Page
To Previous Page IconTo Previous Page
To Previous Page IconTo Previous Page
Loading...
184
1. 9. 2002
371 28
8050--8950
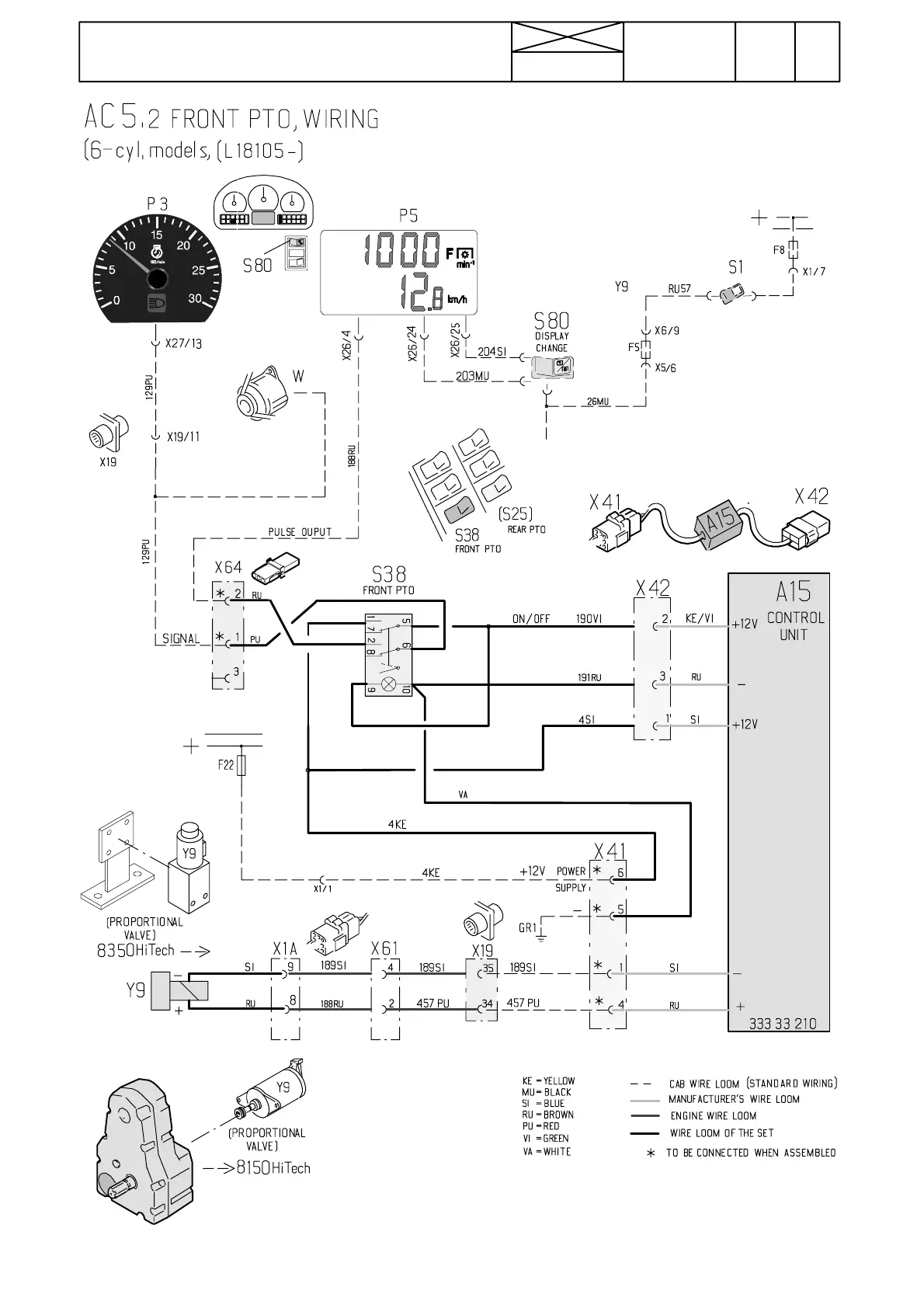
37. Autocontrol 5.2 (L18105---)
Model Code Page
HiTech

Table of Contents

Related product manuals