EasyManua.ls Logo

Valtra 6350 - Rear Axle; Front Axle

Valtra 6350
1361 pages
Print Icon
To Next Page IconTo Next Page
To Next Page IconTo Next Page
To Previous Page IconTo Previous Page
To Previous Page IconTo Previous Page
Loading...
1107
Model
No Page
01.04.1998 365---8750 79.3
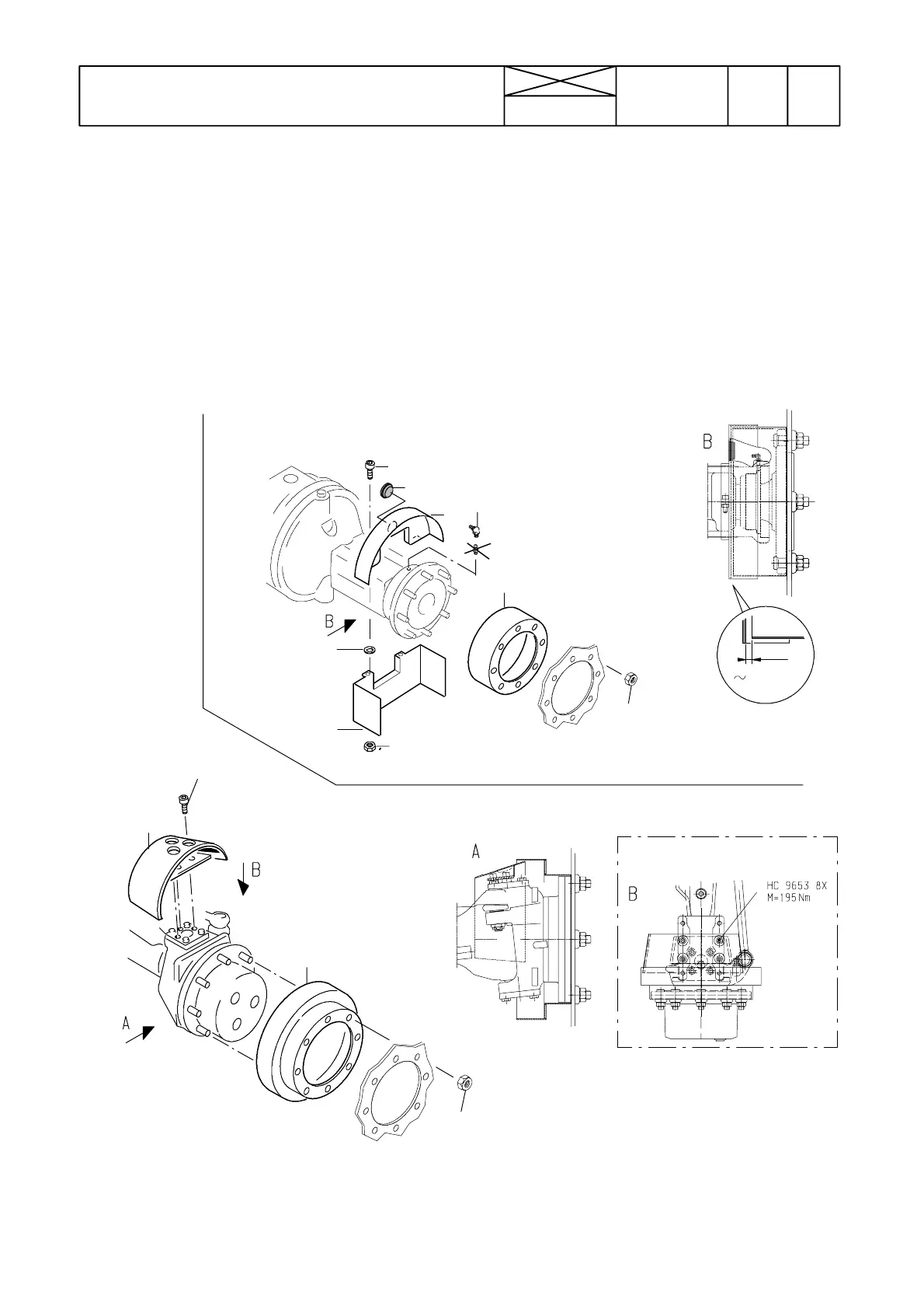
MUD SHIELDS, FITTING INSTRUCTION
(2)1
24.06.1997
Mud shields, front+rear (365---665) 33362200.
front axle (865, 600--
900, 6000--8400) 33561600..........
industrial front axle 33561700.......
rear axle (865, 600--900) 33561500..
rear axle (6000--8750) 33561200.....
The mud shields protect the shaft seals when work-
ing in very difficult conditions (e.g. muddy fields).
1
2
3
4
5
6
7
8
9
(tarvitt.)
(if needed)
11
205---665: 330 Nm
6000---8750, 865: 550 Nm
Sige 020V: 330 Nm
Sige CS, DS 17V: 550 Nm
(vid behov)
10
Rear axle
Front axle
Industrial front axle:
45 Nm
10 mm

Table of Contents

Related product manuals