EasyManua.ls Logo

Valtra 6350 - Repair Instructions

Valtra 6350
1361 pages
Print Icon
To Next Page IconTo Next Page
To Next Page IconTo Next Page
To Previous Page IconTo Previous Page
To Previous Page IconTo Previous Page
Loading...
1241
Model Code Page
90. Hydraulic system
1. 11. 1998
6000--8750 911 1
1. 1. 1995
Repair instructions
1. Low pressure circuit
(Op. no. 911)
A. Measuring pressure
1. Start the engine and run it at 1500 revs/min.
2. Warm up the transmission/hydraulic oil to 40---65˚C.
Note! The oil warms up faster if the steering wheel is held
against the stop.
3. Disengage as many servo functions as possible (clutches
unpressurised in order to eliminate a pressure drop caused
by leakages in clutch piston seal s).
Note! When the 4WD is engaged, the clutch is unpressurised.
On 2---step speedshift should theTORTOISE range be enga-
ged (Trac---Trol) or HARE range engaged (Overdrive). On
HiTech models the shuttle must be in the neutral position. Two
DPS clutches are always pressurised,when the engine is run-
ning.
Pressure---test point
Pressure---limiting valve
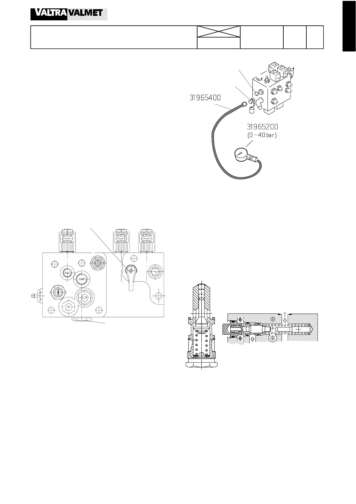
4a. Earlier valve block (---660070): Connect a pressure gauge
to the test point on the servo valve block (on the LH side of the
gearbox). Read the pressure. It should be between 2,1---2,3
MPa. Pressure measuring equipment, see page 910/5.
Pressure---limiting valve
Pressure---test point
4b. Later valve block (660071---): Connect a pressure gauge
to the test point on the servo valve block and read the pres-
sure value. It should be 1, 8 ---1,9 MPa.
4c. On tractors which have been equipped with HiTech Shut-
tle, the low pressure circuit test point is placed on the outer
face of the valve block, see page 440/24. The pressure value
is 1,8---1,9 MPa.
Note! These pressures are maintained by the low pressure
limiting valve and seals at various soleno id valves (and clutch
piston seals in pressurised clutches).
Pressure---limiting valves (1,8 MPa)
---660070
660071---
5. If the pressure gauge reading deviates much from the cor-
rect value, the fault can lie in the pressure---limiting valve orthe
low---pressure pump is worn out. Also excessive leakage can
cause pressure loss.
6. Then activate each service in turn. The pressure should
momentarily drop but quickly re---stabilise. A constant pres-
sure drop of about 0,1---0,2 MPa indicates excessive leakage
and therefore pressure loss in that service.
Note! Pressure measuring equipment, see page 910/5. It is
available a pressure---test kit which order no is 31965000. It
includes all equipment needed for pressure measurement on
Valmet tractors. The parts can also be ordered separately.

Table of Contents

Related product manuals