EasyManua.ls Logo

Valtra 6350 - Frame and Wheels

Valtra 6350
1361 pages
Print Icon
To Next Page IconTo Next Page
To Next Page IconTo Next Page
To Previous Page IconTo Previous Page
To Previous Page IconTo Previous Page
Loading...
Standard roller
1300
Model Code Page
102. Locally prepared tools
8. 11. 1990
6000--8750
8102
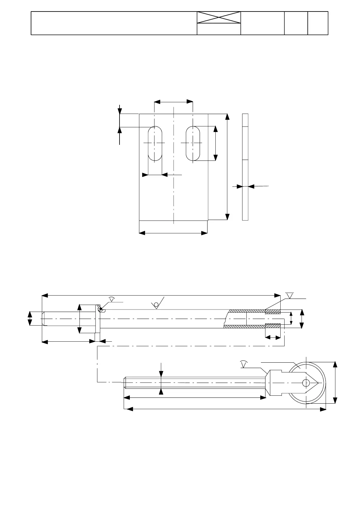
70. Frame and wheels
A
ET 893480 Support plate for front frame (Frame and wheels 505 --- 905)
B
ET 893470 Support roller for front frame (Frame and wheels 505---905)
62
110
22
50
150
5
ET 893480
590
130
350
500
40
M30
ø45
ø36
ø55
10
M30
120
4
4
4
ET 893470
10

Table of Contents

Related product manuals