EasyManua.ls Logo

Valtra 6350 - Page 218

Valtra 6350
1361 pages
Print Icon
To Next Page IconTo Next Page
To Next Page IconTo Next Page
To Previous Page IconTo Previous Page
To Previous Page IconTo Previous Page
Loading...
211
Model Code Page
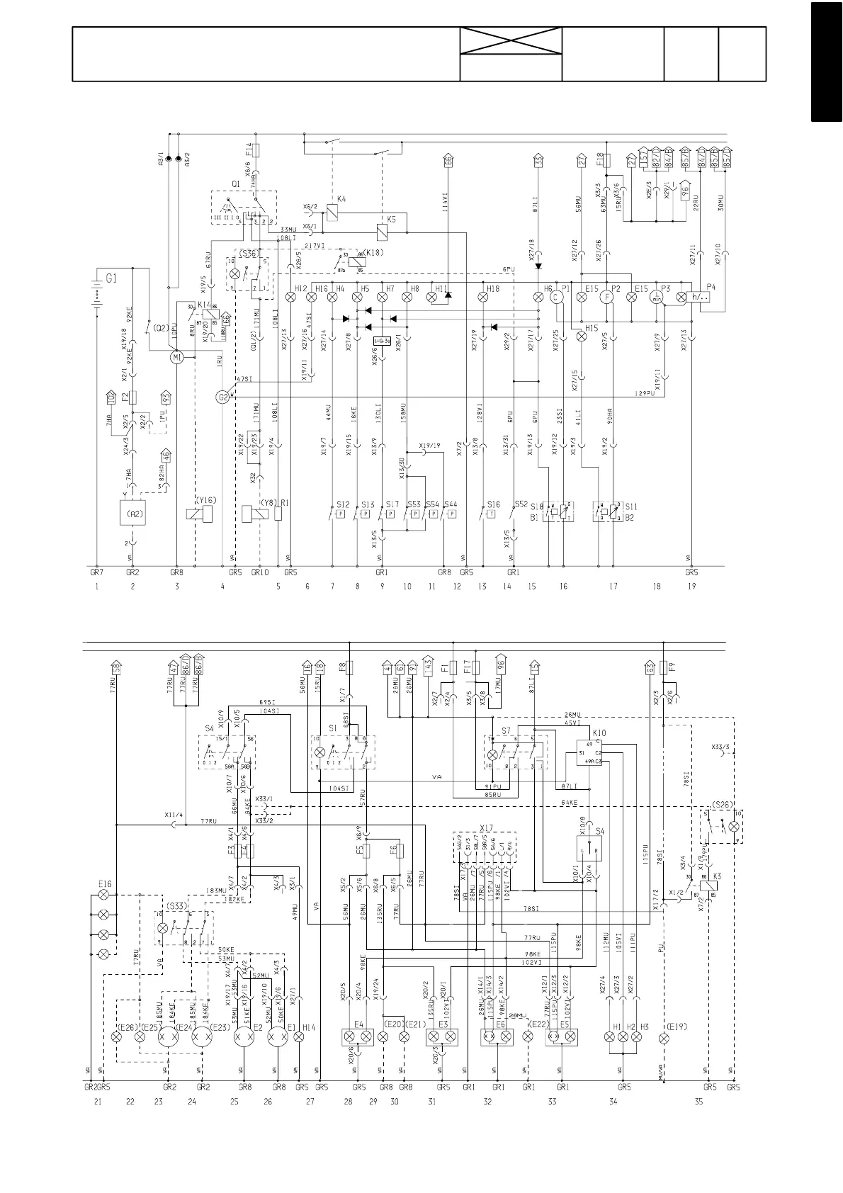
31. Tractor ele tri cal system
1. 10. 1999
6250--8950 310 61
33563500A
ACV I
ACV II

Table of Contents

Related product manuals