EasyManua.ls Logo

Valtra 6350 - Page 230

Valtra 6350
1361 pages
Print Icon
To Next Page IconTo Next Page
To Next Page IconTo Next Page
To Previous Page IconTo Previous Page
To Previous Page IconTo Previous Page
Loading...
223
Model Code Page
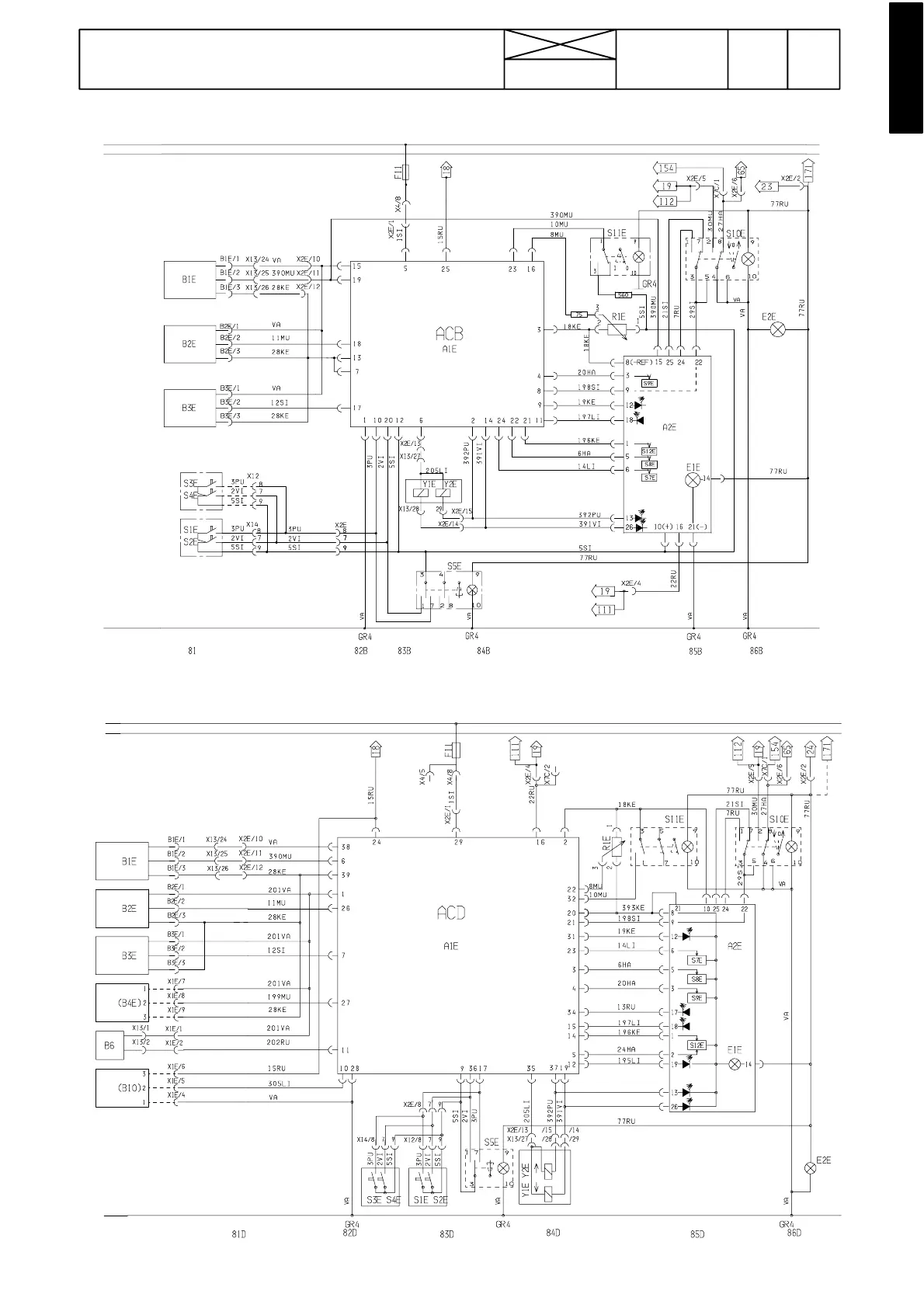
31. Tractor electrical system
1. 8. 2000
6250--8950 310 73
AC 5.2 5
AC 5.2 6

Table of Contents

Related product manuals