EasyManua.ls Logo

Valtra 6350 - Page 240

Valtra 6350
1361 pages
Print Icon
To Next Page IconTo Next Page
To Next Page IconTo Next Page
To Previous Page IconTo Previous Page
To Previous Page IconTo Previous Page
Loading...
59
1. 8. 2000
6200--8750 310 83
1. 9. 2002
Model Code Page
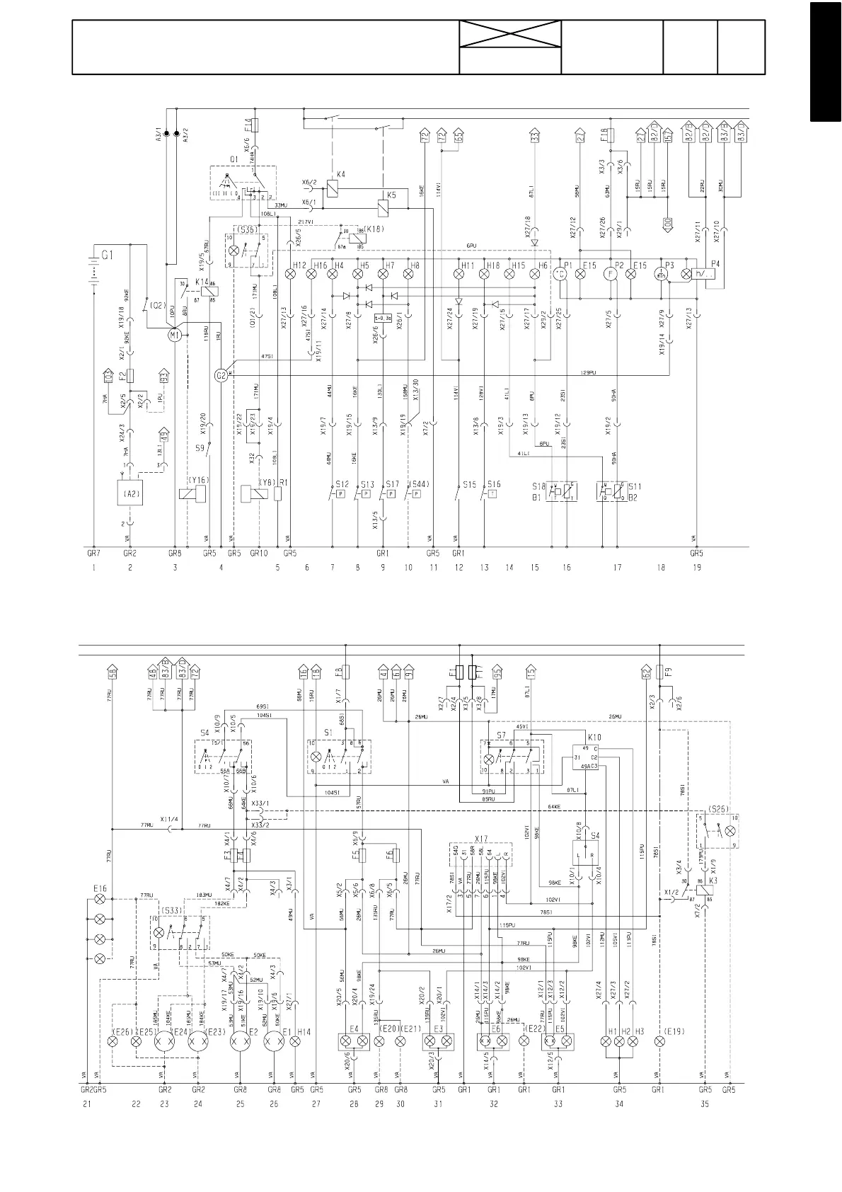
31. Tractor electrical system
31871660A
AC 2.3 1
AC 2.3 2

Table of Contents

Related product manuals