EasyManua.ls Logo

Valtra 6350 - Page 448

Valtra 6350
1361 pages
Print Icon
To Next Page IconTo Next Page
To Next Page IconTo Next Page
To Previous Page IconTo Previous Page
To Previous Page IconTo Previous Page
Loading...
407
Model Code Page
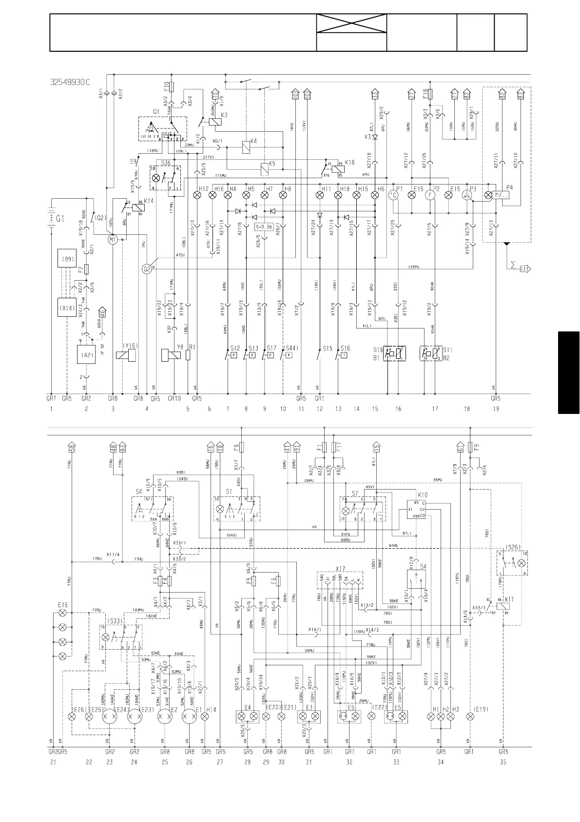
35. Autocontrol IV
15. 5. 1996
6600E-- 8750E
350 23
E1/7

Table of Contents

Related product manuals