EasyManua.ls Logo

Valtra 6350 - Page 738

Valtra 6350
1361 pages
Print Icon
To Next Page IconTo Next Page
To Next Page IconTo Next Page
To Previous Page IconTo Previous Page
To Previous Page IconTo Previous Page
Loading...
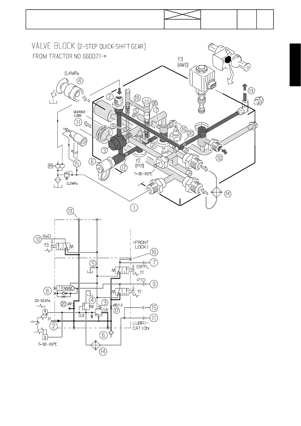
Picture 20. New servo valve block with effect from ser.
no. 660071 on tractors which have 2 ---step quick ---shift
gear or are without quick---shift gear.
1. Servo valve block
2. Oil supply from low pressure pump
3 . P r e s s u r e --- l i m i t i n g v a l v e , 1 , 8 --- 1 , 9 M P a ( 1 8 --- 1 9 b a r )
4. Safety valve 0,4 MPa (4 bar) for oil cooler. Protects
hydraulic system e.g. when oil is cold and thick.
5. Tank passage from solenoid valves
6. Pressure---test point (V almet HPR, thread M16)
7. Pressure oil to differential lock.
8. Cushioning valve for PTO clutch, incl. parts 18, 19, 21.
9. Pressure oil to PTO clutch
10. Pressure oil to 4WD clutch
11. Oil to gearbox lubricating system, see picture on
page 420/22.
13. Pressure oil to quick ---shift gear. If not guick ---shift
gear, the passage is plugged.
14. Oil cooler
15. Connection to return side of working hydraulics.
16. Plug (readiness för front axle diff. lock)
17. Restriction ø 2 mm ( ---661797) or ø 1,2 mm
(661798 ---) eliminates pressure drop when engaging
PTO clutch or diff. lock. On the later valve blocks
(665536 ---) there is a separate passage from the pump
pressure side to the diff. lock solenoid valve. There is res-
triction ø2 mm on this passage. In this way are separated
functions of the diff. lock and the PTO .
18. Piston, PTO clutch cushioning valve
19. Valve ball, PTO clutch cushioning valve
20. Restriction Ø 2mm eliminates pressure drop when
engaging 4WD or quick---shift gear clutch.
21. Valve ball, PTO clutch cushioning valve
191
Model Code Page
42 Gearbox
17B420
6000--8750
1. 1. 1995
1. 9. 2002

Table of Contents

Related product manuals