EasyManua.ls Logo

Valtra 6350 - Page 745

Valtra 6350
1361 pages
Print Icon
To Next Page IconTo Next Page
To Next Page IconTo Next Page
To Previous Page IconTo Previous Page
To Previous Page IconTo Previous Page
Loading...
198
Model Code Page
42 Gearbox
20B420
6000--8750
1. 11. 1998
15. 5. 1996
CLUTCH ENGAGED
CLUTCH DISENGAGED
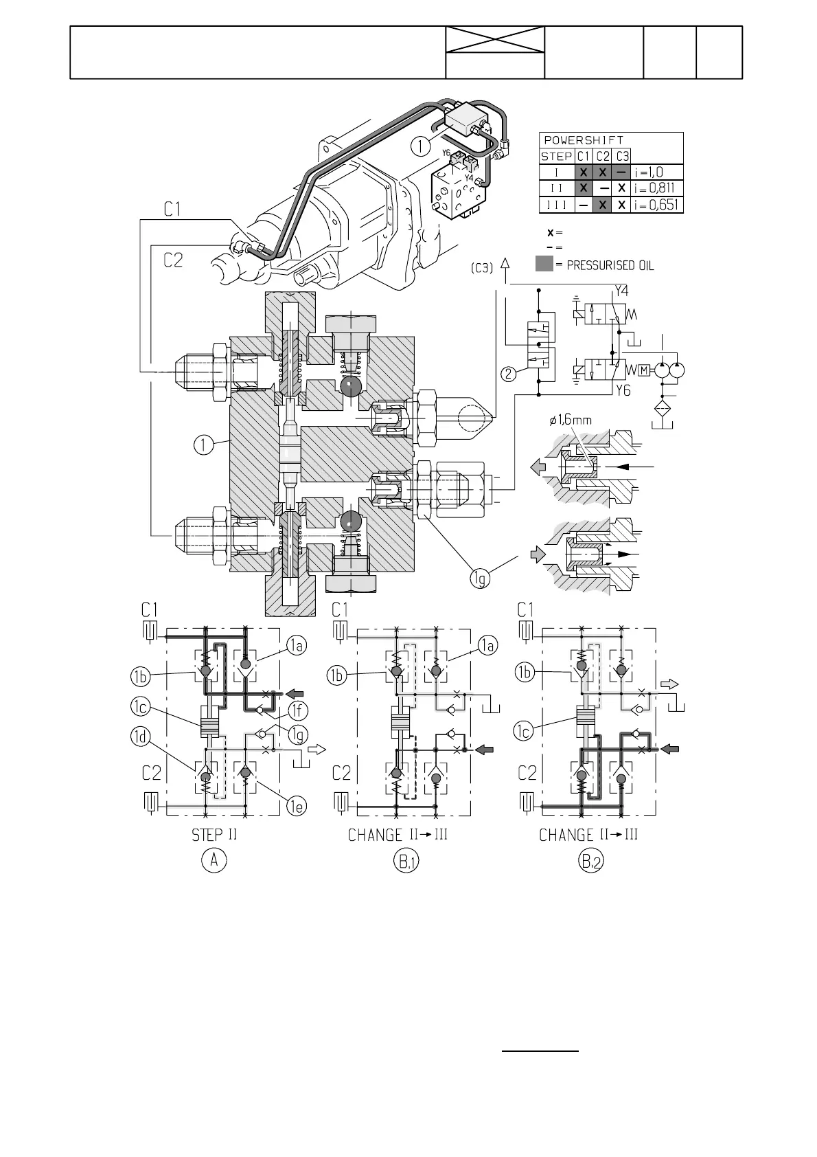
Picture 21B. Lock valve of Del ta Powershi ft on trac tors whic h
have a mechanical shuttle.
1. Lock valve
1a,e) Non---return valve, 0,7 bar
1b,d) Non ---return valve
1f,g) Change ---over restriction (ø1,6 mm)
1c) Lock valve piston
In transmissions 460 and 650 the tractors have the above
shown valve (not HiTech tractors). The valve is fitted between
theDPSclutchesC1andC2andtheservovalveblock.
The valve synchr onises the engagement of clutches C1 and
C2 so that pressure in one clutch drops just, when the other
clutch is fully pressurised. The valve functions, when the DPS
ratio is changed from the intermediate ratio (II) to the highest
ratio III and vice versa.
Tes tin g the v a l v e
Select H ---range gear and start to drive with revs of over 2000
rpm. Drive and depress brake pedals until the engine revs
lower to about 1700---1800 rpm. Change DPS ratio from II to
III and vice versa and follow the rev. counter reading. If engine
revs ri ses much during gear change, the lock valve must be
changed as a complete unit.
If engine overloads strongly during gear ratio change (from II
to III or vice versa), the lock valve is faulty and should be
changed. This overloading damages the DPS clutches.

Table of Contents

Related product manuals