EasyManua.ls Logo

Valtra 6350 - Page 747

Valtra 6350
1361 pages
Print Icon
To Next Page IconTo Next Page
To Next Page IconTo Next Page
To Previous Page IconTo Previous Page
To Previous Page IconTo Previous Page
Loading...
200
Model Code Page
42 Gearbox
20D420
6250--8950
1. 9. 2002
1. 8. 2000
Note! The end of the
spindlemustbealmostflushwiththevalvebody.
If necessary, the valve must be removed and the
spindle must be pressed to the outer position.
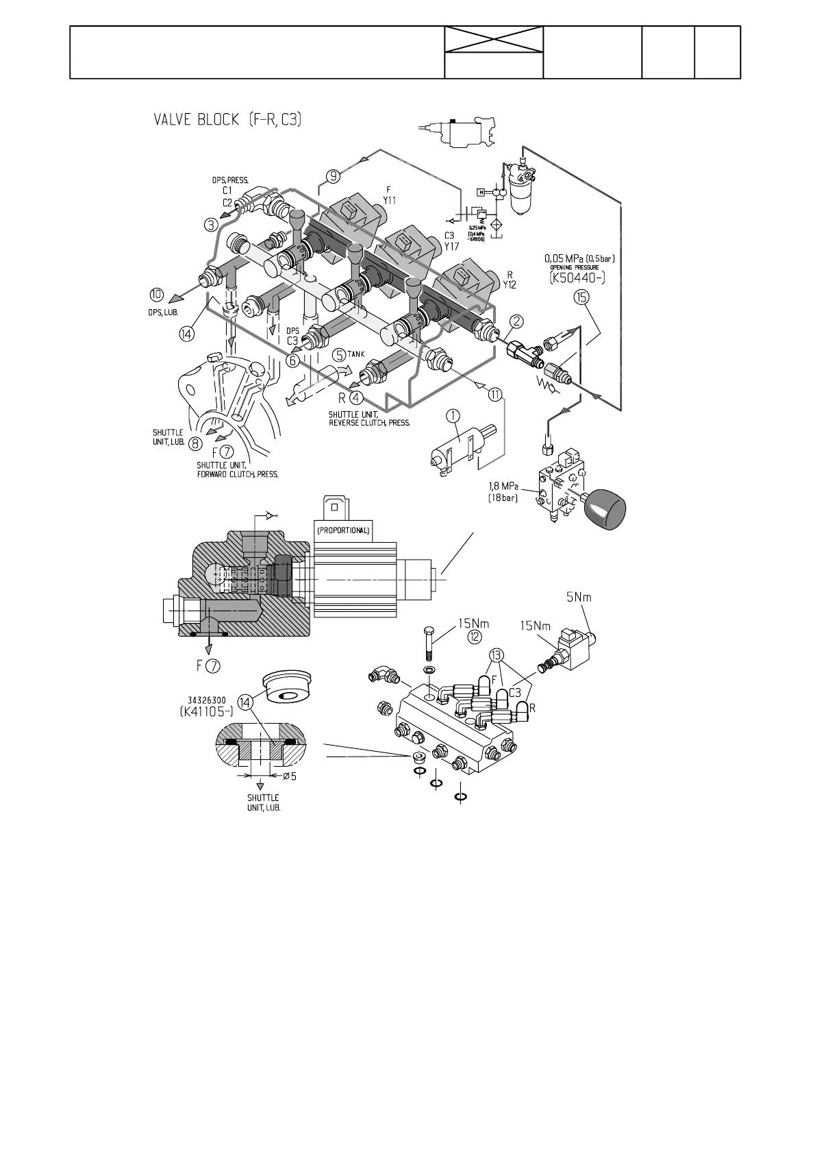
HiTech
Picture 21D. Valve block of HiTech --- shuttle on the gear-
box housing
1. Valve block
2. Pressure oil, 1,8 MPa (18 bar), into the valve
3. Pressure oil into DPS clutches C1 and C2.
4. Pressure oi l into the HiTech shuttle (rearward driving)
5. Tank passage (into the gearbox and shuttle housings).
6. Pressure oil into DPS clutch C3.
7. Pressure oil into the shuttle (forward driving)
8. Lubricating oil into the shuttle housing
9. Lubricating oil from filter distribution block
10. Lubricating oil into DPS
11. Tank passage from hand brake ram (leaks)
12. Tightening torque 15 Nm.
--- Permatex Super 300 No 83 onto the threads
13. Proportional valve
14. Lubricating oil flow into theshuttlehasbeenreducedwith
a restriction (diam. 5 mm, K41105 ---). This modification bal-
ances lubr. oil flow into the F --- and R--- clutches. In connection
with this modification the DPS and shuttle lubr. oil flow has
been improved.
15. A non---return valve From ser. no. K50440 inc l . has been
fitted to prevent oil pressure escape from pressure accumu-
lato r into the hydraulic pump and the brake valve.
This ensures that the parking brake is not engaged too fast af-
ter engine stop. Note! This happens only in case that the engi-
ne stops itself (e.g. fuel runs out) when the driving speed is
over 5 km/h. Does not affect the normal function of the par-
king brake.

Table of Contents

Related product manuals