EasyManua.ls Logo

Valtra 6350 - Page 945

Valtra 6350
1361 pages
Print Icon
To Next Page IconTo Next Page
To Next Page IconTo Next Page
To Previous Page IconTo Previous Page
To Previous Page IconTo Previous Page
Loading...
2a
2b
3a
242
Model Code Page
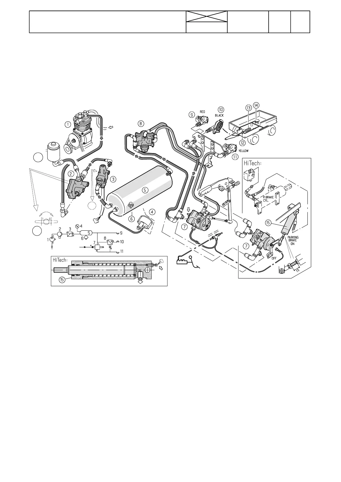
51. Brake system
1. 9. 2002
6000--8950 511 4
1. 10. 1999
2. Pressure air brakes for trailer
(option)
A. Maintenanc e
General
In the system there is a filter, which is placed in the pres-
sure regulator (3) . The filter must be cleaned/changed peri-
odically (depending on use). The filter can be removed by
removing the tyre filling connection (3a) on the pressure
regulator.
Daily maintenance
Condensed water must be drained from the system daily
by pressing or pulling the pin o f the draining tap (6) under
the air reservoir.
Weekly maintenance
Check the mounting of the compressor. Check/adjust the
compressor belt tightness by adjusting the tension pulley
(1).
Maintenance at intervals of 250 running hours
Grease the quick co upling rubber surfaces with silico ne
grease. Grease the hand brake lever joints.
B. Others
The pressure regulator has an in ---built relief valve, which
blows off, when the pressure in the reservoir exceeds 12---14
bar. This can be caused by e.g. faulty relief valve, icing or
blocking filter.
Check the tightness of the system. The system must be so
tight that the pressure drop after the engine stop is max. 0,15
bar during 10 minutes (2%).
If the hoses or hose unions have leakages, new parts are
available as a spare part. Other components of the pressure
air system must be changed as a complete unit since no sep-
arate spare parts are available.

Table of Contents

Related product manuals