EasyManua.ls Logo

Valtra 6650 - Fuel System with Distributor Pump; Maintenance

Valtra 6650
1361 pages
Print Icon
To Next Page IconTo Next Page
To Next Page IconTo Next Page
To Previous Page IconTo Previous Page
To Previous Page IconTo Previous Page
Loading...
21
Model Code Page
22. Fuel system
1. 9. 2002
6200--8550 220 11
1. 6. 1999
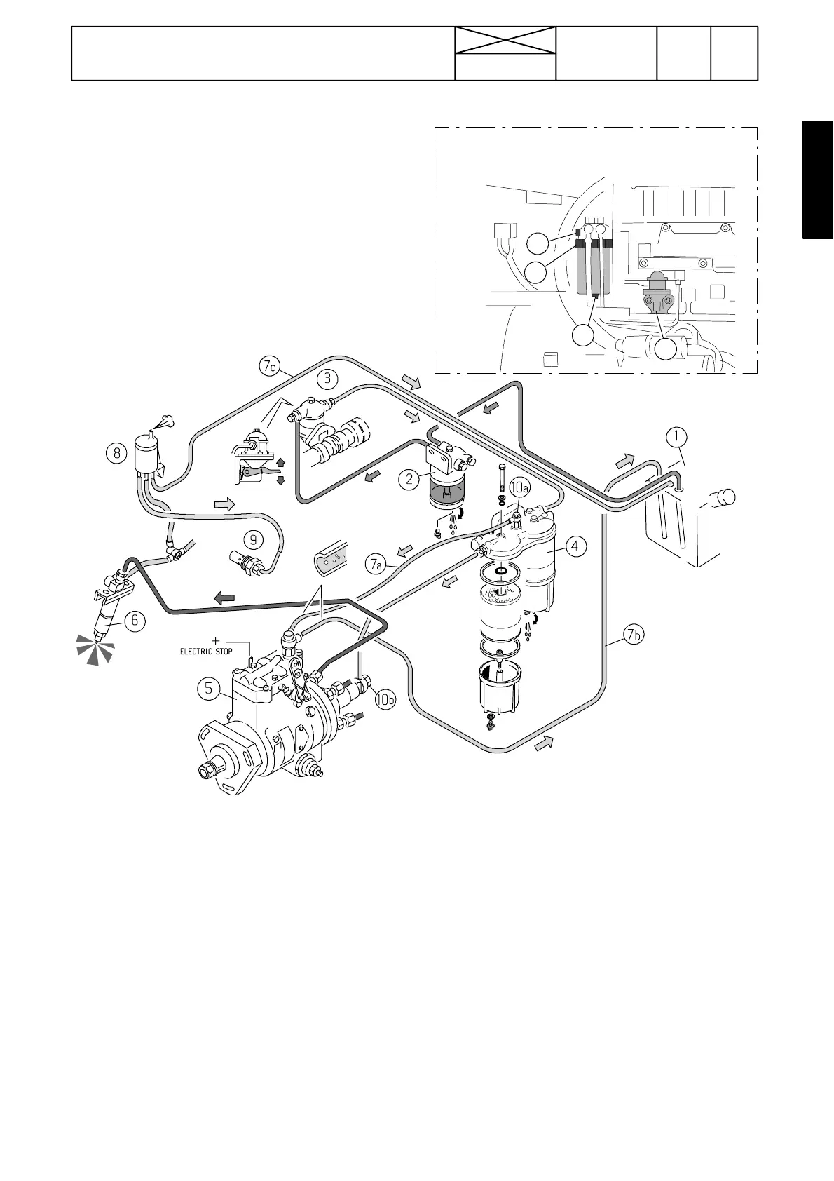
Fuel system with distributor pump
1. Fuel tank
2. Water trap. 6200, 6900, 6300, 6400,
8000R and HiTech tractors have a diffe-
rent water trap.
3. Fuel feed pump
4. Fuel filter
5. Distributor pump
6. Injector
7a,b,c. Return fuel to tank
8. Thermostart reservoir
9. Glow plug
10a, b. Bleeding screws
C
B
A
D
6200, 6900, 8000R, 6300---6400 from week 24/01 incl.
All HiTech models. All latest Mezzo/Mega
In this fuel system, there is a separate fuel feed pump (3)
ontheRHsideoftheengine.
The system includes a separate water trap (2) and two fuel
filters (4). The lower parts of the fuel filter housings have a
space for possible impurities and there is a draining tap
under both filter housings.
The fuel feed pump has a washable metal gauze filter.
There is also a tapered metal net filter inside the distributor
pump in the inlet line before the pump transfer pump.
Important! 6200, 6900, 8000R and all HiTech tractors have
a Stanadyne water trap, which also includes a filter. There is
a draining tap (B) in the bottom of the housing. Before
emptying this water trap, slacken the bleeding screw (A) .
After emptying, close the screws and pump fuel with the
feed pump (C) lever, until the water trap is full of fuel. The
Stanadyne water trap filter loosens, when securing band
(D) is rotated for hand and the filter is pulled do wnwar ds.
When fitting a new filter, rotat e the secur i ng band until it
locks the filter (click).
Maintenance
--- Check/empty the water trap weekly/at every 50 running
hours.
--- Open and clean the water trap at every 50 0 running
hours (does not concern 6200 and 8000R tractors). At the
same time open the taps under both fuel filter ho usings and
allow possible impurities to run out .
--- Clean the fuel tank at every 1000 running hours/yearly
and change the fuel filters (6200, 8000R: also change the
water trap filter).
--- Check/clean injectors at every 2000 running ho urs/every
other year. Faulty injectors cause knocking, smoky exhaust
gases and loss of engine power.
Note! When the water trap has been emptied, refill it with
fuel by pumping with the fuel feed pump (3) lever. After
changing the fuel filters, bleed the fuel system, see page
223/11.

Table of Contents

Related product manuals