EasyManua.ls Logo

Valtra 6650 - Page 350

Valtra 6650
1361 pages
Print Icon
To Next Page IconTo Next Page
To Next Page IconTo Next Page
To Previous Page IconTo Previous Page
To Previous Page IconTo Previous Page
Loading...
103
Model Code Page
1. 6. 1999
6200--8150
321 13
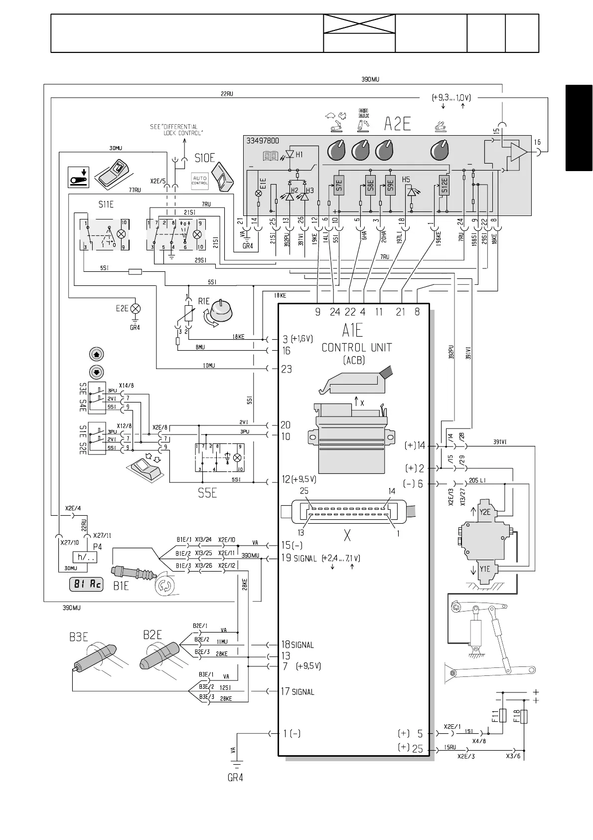
32. ACB Power lift
1. 9. 2002
ACB Power lift

Table of Contents

Related product manuals