EasyManua.ls Logo

Valtra 6650 - Page 449

Valtra 6650
1361 pages
Print Icon
To Next Page IconTo Next Page
To Next Page IconTo Next Page
To Previous Page IconTo Previous Page
To Previous Page IconTo Previous Page
Loading...
408
Model Code Page
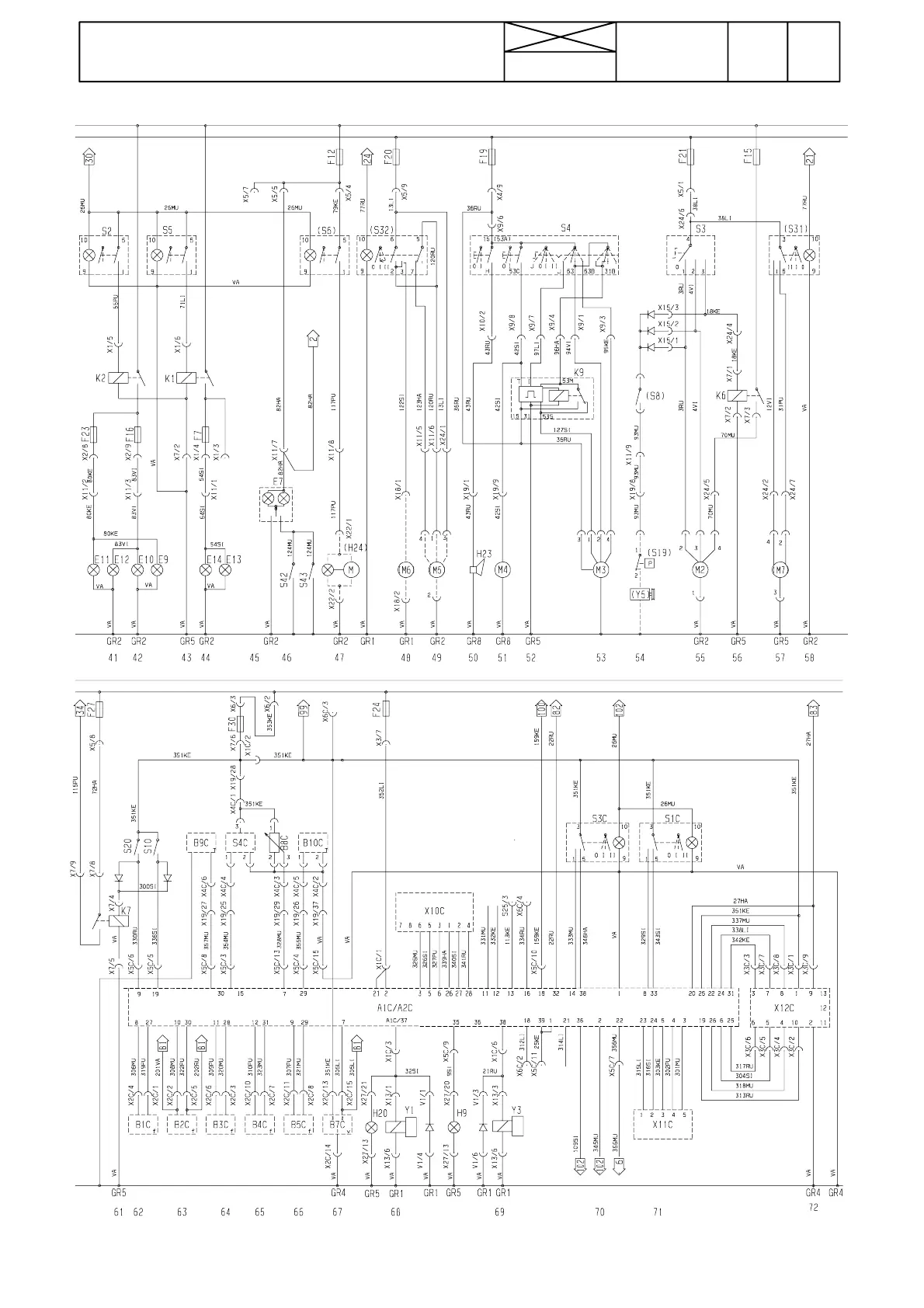
35. Autocontrol IV
15. 5. 1996
6600E-- 8750E
350 24

Table of Contents

Related product manuals