EasyManua.ls Logo

Valtra 6650 - Page 456

Valtra 6650
1361 pages
Print Icon
To Next Page IconTo Next Page
To Next Page IconTo Next Page
To Previous Page IconTo Previous Page
To Previous Page IconTo Previous Page
Loading...
415
Model Code Page
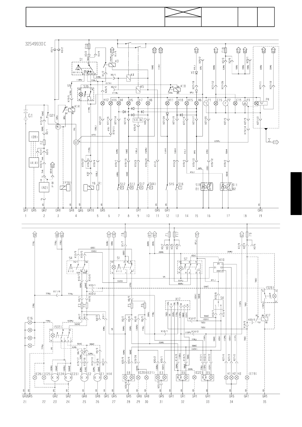
35. Autocontrol IV
1. 4. 1997
6600E-- 8750E
350 31
E1/7
E2/7

Table of Contents

Related product manuals