EasyManua.ls Logo

Ventrac MJ840 - Parts; Decks & Connector Links

Ventrac MJ840
55 pages
Print Icon
To Next Page IconTo Next Page
To Next Page IconTo Next Page
To Previous Page IconTo Previous Page
To Previous Page IconTo Previous Page
Loading...
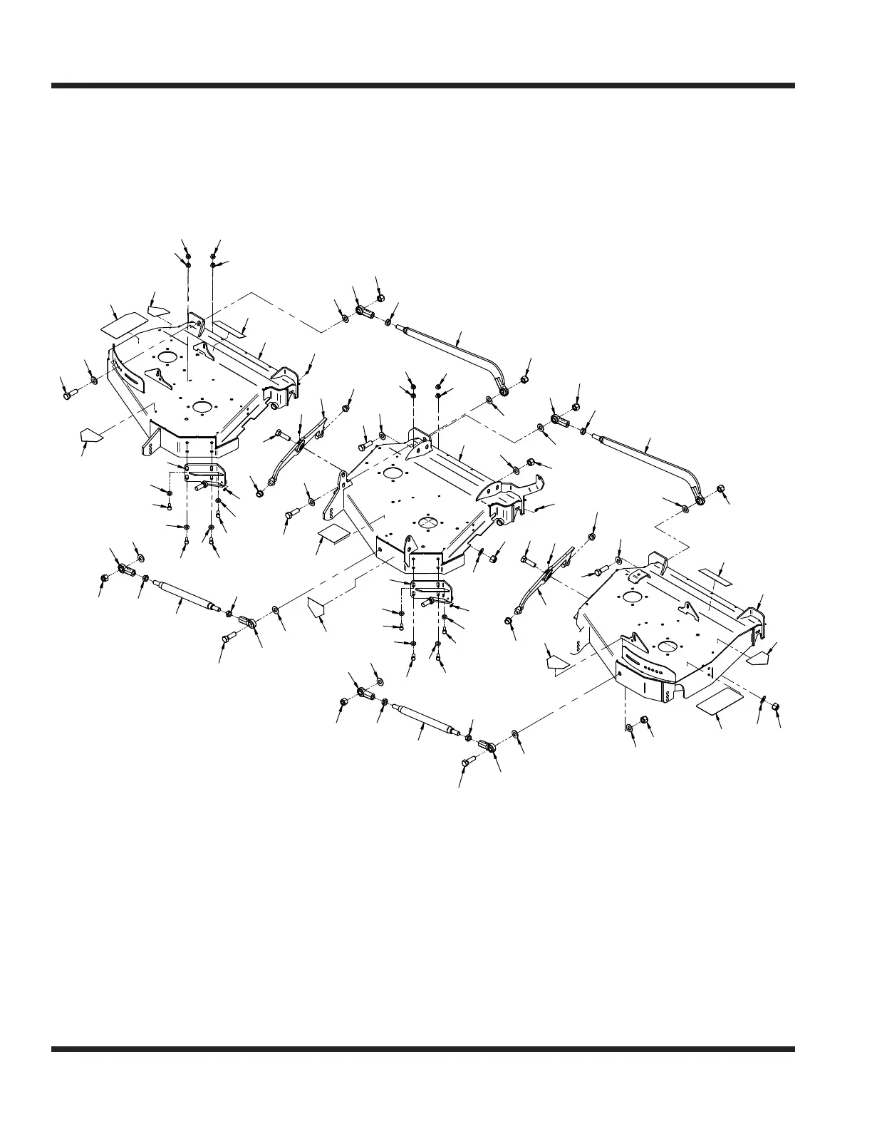
Illustrated Parts - 26
Use only original Ventrac
replacement parts.
PARTS
ILLUSTRATED DRAWING
Decks & Connector Links
22
16
16
16
16
16
17
18
21
21
12
12
12
12
12
12
19
19
6
6
7
7
7
7
7
7
2
2
1
8
3
4
4
15
15
15
15
10
10
10
10
10
10
10
10
13
13
13
13
13
13
13
13
9
9
9
9
9
9
9
9
5
5
5
5
5
5
5
5
5
5
5
5
5
5
5
5
20
20
20
20
20
20
20
20
20
20
14
14
14
14
14
14
11
11
11
11
11
11
11
11

Table of Contents

Other manuals for Ventrac MJ840

Related product manuals