EasyManua.ls Logo

Ventrac MJ840 - Carrier Frame

Ventrac MJ840
55 pages
Print Icon
To Next Page IconTo Next Page
To Next Page IconTo Next Page
To Previous Page IconTo Previous Page
To Previous Page IconTo Previous Page
Loading...
PARTS
Illustrated Parts - 28
Use only original Ventrac
replacement parts.
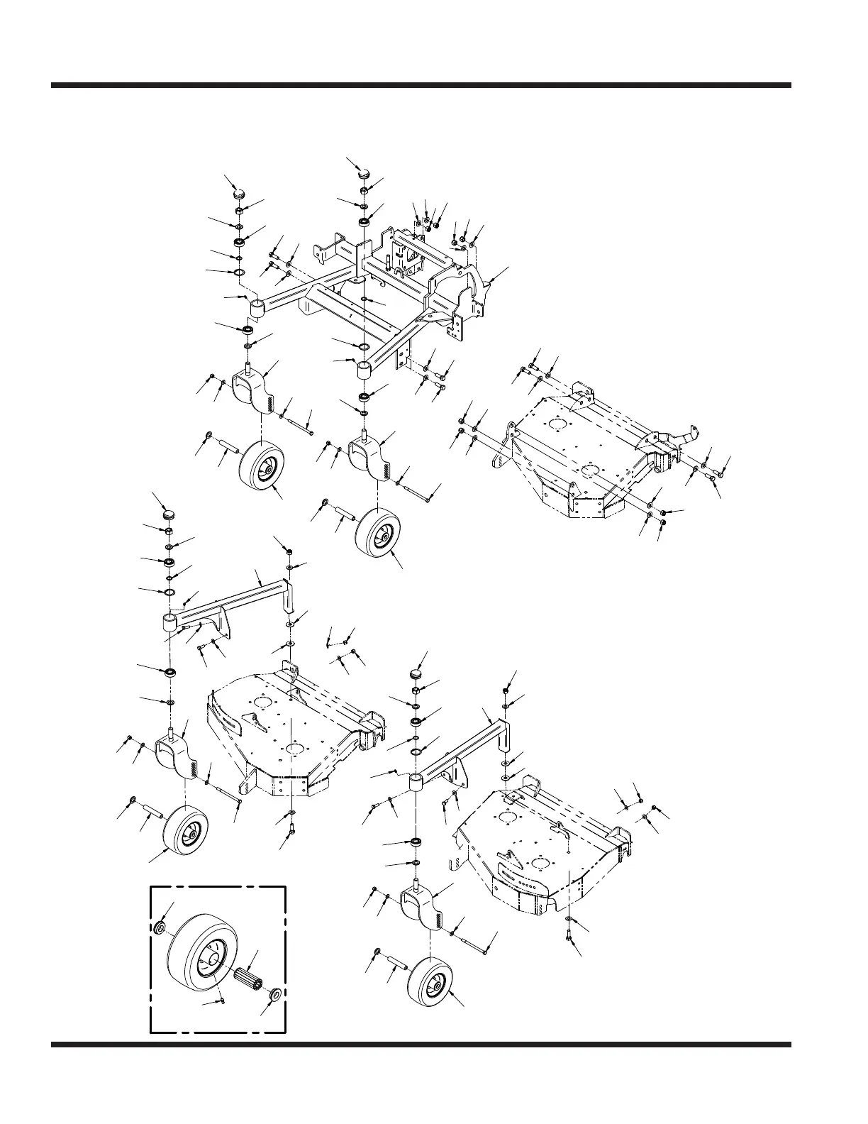
ILLUSTRATED DRAWING
Carrier Frame
53.0140
46
46
45
6
6
6
6
6
6
6
6
18
18
18
18
20
20
20
20
15
15
15
15
15
15
15
15
15
15
11
11
11
11
9
9
9
9
13
13
13
21
21
21
21
21
21
21
21
19
19
19
19
19
19
19
19
19
19
12
12
12
12
8
8
8
8
7
7
7
7
16
16
16
16
17
17
17
17
17
17
17
17
17
17
17
17
17
17
17
17
14
14
14
14
14
14
14
14
14
14
14
14
14
14
14
14
14
14
14
14
5
5
5
5
5
5
5
5
5
5
5
5
4
4
4
4
3
3
3
3
1
2
2
13
47

Table of Contents

Other manuals for Ventrac MJ840

Related product manuals