EasyManua.ls Logo

Ventrac MJ840 - Front Anti-Scalp Rollers

Ventrac MJ840
55 pages
Print Icon
To Next Page IconTo Next Page
To Next Page IconTo Next Page
To Previous Page IconTo Previous Page
To Previous Page IconTo Previous Page
Loading...
PARTS
Illustrated Parts - 42
Use only original Ventrac
replacement parts.
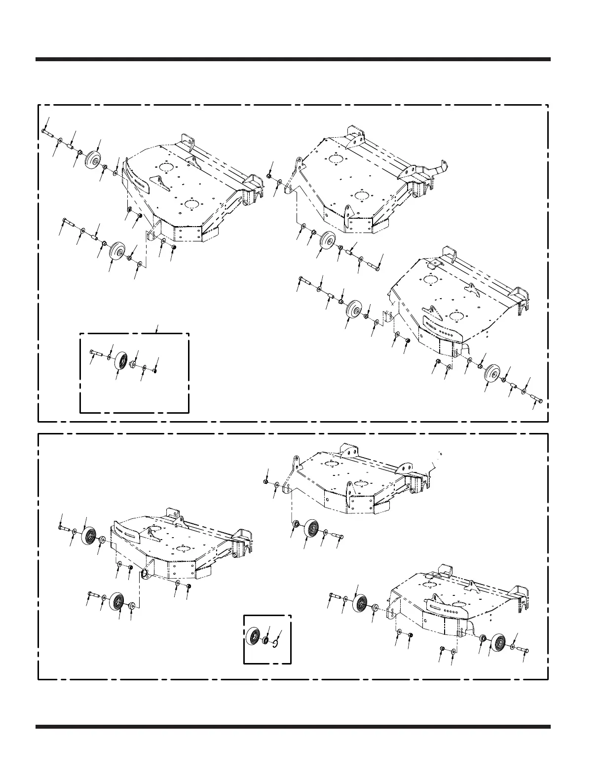
ILLUSTRATED DRAWING
Front Anti-Scalp Rollers
Serial # 1001-1875
6
6
6
6
6
4
4
4
4
2
7
7
7
7
7
7
7
7
7
2
3
3
3
3
3
1
1
1
1
4
2
2
2
2
2
2
2
2
2
2
2
7
2
1
2
Serial # 1876-
18
18
18
18
18
21
21
21
21
21
15
15
15
15
15
15
15
15
15
15
16
16
16
16
16
70.8152
Replacement for 50.0178 Roller
31
33
32
37
36
36
38
17
53.0161
26
25
17
17
17
17

Table of Contents