EasyManua.ls Logo

Ventrac MJ840 - Deck Wing Lift Arm Hydraulics

Ventrac MJ840
55 pages
Print Icon
To Next Page IconTo Next Page
To Next Page IconTo Next Page
To Previous Page IconTo Previous Page
To Previous Page IconTo Previous Page
Loading...
PARTS
Illustrated Parts - 50
Use only original Ventrac
replacement parts.
ILLUSTRATED DRAWING
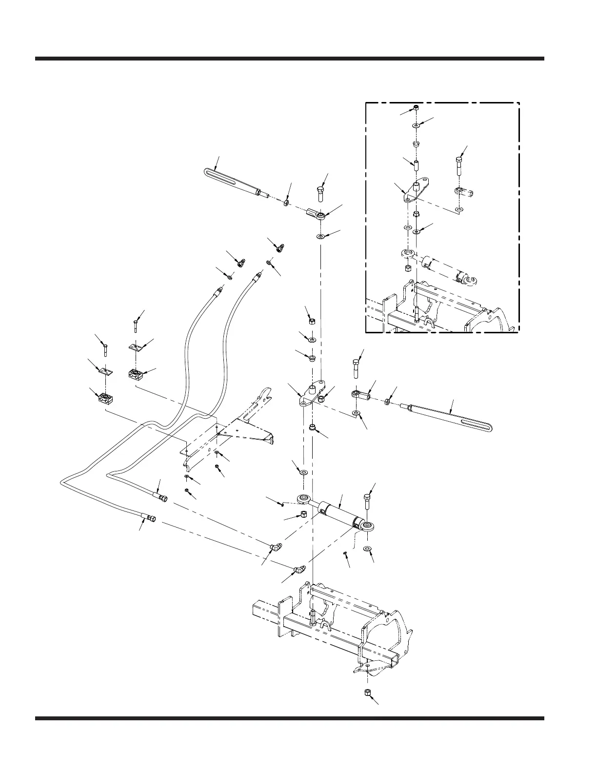
Deck Wing Lift Arm Hydraulics
12
12
9
9
8
7
7
18
18
17
17
5
6
6
13
13
22
22
20
21
19
19
26
26
16
11
11
11
2
2
10
25
25
10
10
10
10
24
23
4
3
1
Serial # 1001-1803
8
15
16
14
1
14

Table of Contents

Other manuals for Ventrac MJ840

Related product manuals