EasyManua.ls Logo

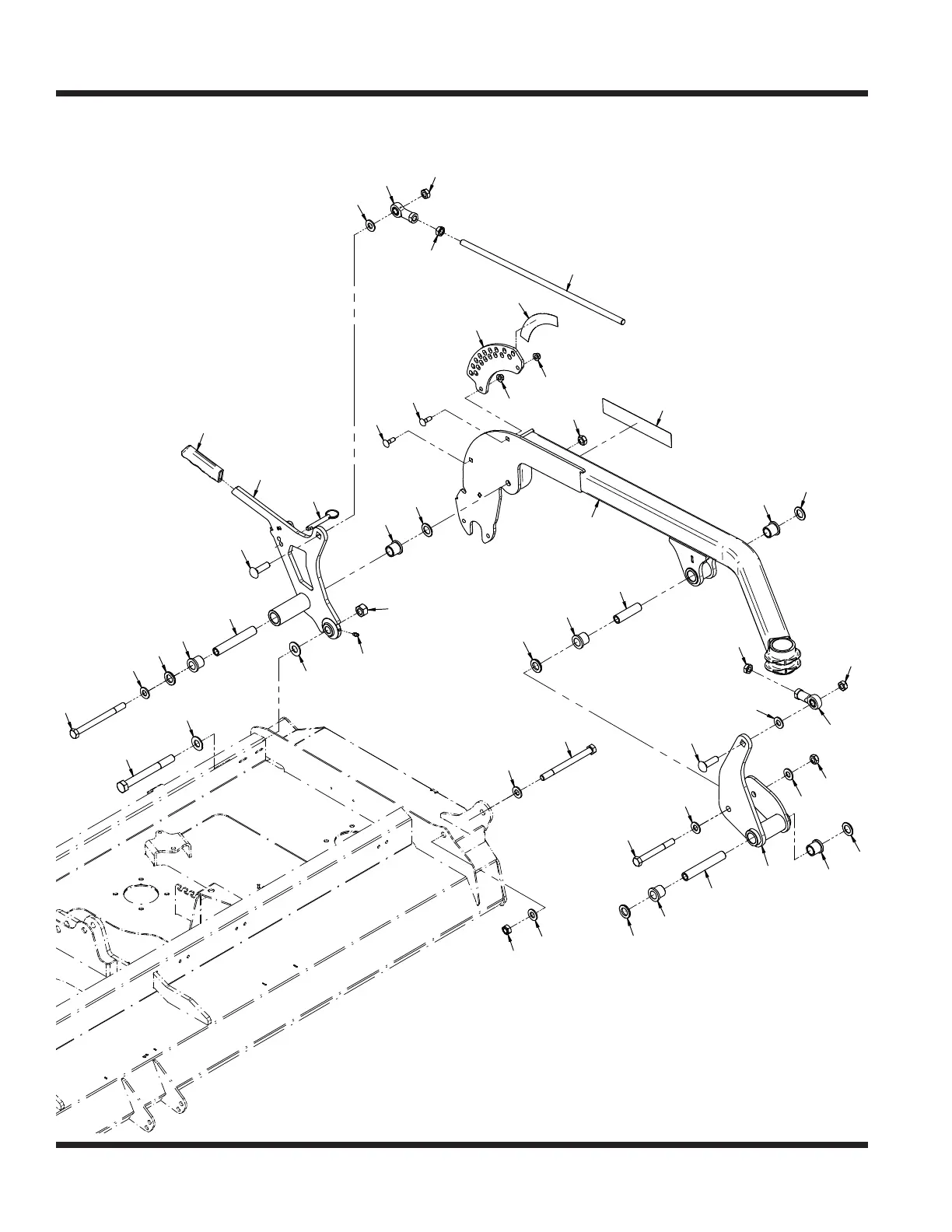
Ventrac MK960 - Left Carrier Rockers & Link

Ventrac MK960
53 pages
Print Icon
To Next Page IconTo Next Page
To Next Page IconTo Next Page
To Previous Page IconTo Previous Page
To Previous Page IconTo Previous Page
Loading...
PARTS
Illustrated Parts - 32
Use only original Ventrac
replacement parts.
20
15
19
1
21
28
29
8
13
13
13
13
13
13
4
5
5
10
3
3
3
3
3
3
3
9
9
17
17
22
22
6
6
6
6
6
11
2
2
2
7
7
7
23
24
18
18
14
12
12
16
27
25
26
ILLUSTRATED DRAWING
Left Carrier Rockers & Link

Table of Contents

Related product manuals