EasyManua.ls Logo

VERDER VA 50 - Page 11

VERDER VA 50
36 pages
Print Icon
To Next Page IconTo Next Page
To Next Page IconTo Next Page
To Previous Page IconTo Previous Page
To Previous Page IconTo Previous Page
Loading...
819.4496 11
Installation
Changing the Orientation of the Fluid Inlet and Outlet
Ports
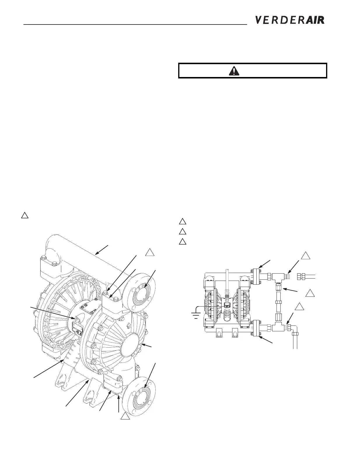
The pump is shipped with the fluid inlet (R) and outlet (S)
ports facing the same direction. See F
IG. 4. To change the
orientation of the inlet and/or outlet port:
1. Remove the screws and washers (106, 112, 113, and
114) holding the inlet (102) and/or outlet (103) manifold
to the covers (101).
2. Reverse the manifold and reattach. Install the screws
and torque to 17–18 N•m. See Diaphragm Kits, page
29.
Torque to 17–18 N•m. See
Diaphragm Kits, page 29.
FIG. 4 ________________________
Fluid Pressure Relief Valve
KEY
R 2 in. Fluid Inlet Flange
S 2 in. Fluid Outlet Flange
V Pressure Relief Valve
Part No. 819.0159 (Stainless Steel)
Install valve between fluid inlet and outlet ports.
Connect fluid inlet line here.
Connect fluid outlet line here.
FIG. 5 ________________________
KEY
N 1/2 npt(f) Air Inlet Port
P Muffler; Air Exhaust
Port is 3/4 npt(f)
R 2 in. Fluid Inlet Flange
S 2 in. Fluid Outlet
Flange
101 Fluid Covers
102 Fluid Inlet Manifold
103 Fluid Outlet Manifold
106 Fluid Outlet Manifold
Screws (Top)
112 Fluid Inlet Manifold
Screws (Bottom)
113 Fluid Outlet Manifold
Washers
114 Fluid Inlet Manifold
Washers
1
04613B
N
P
R
S
1
103
102
101
1
106
112
113
114
Caution
Some systems may require installation of a pressure relief
valve at the pump outlet to prevent overpressurization and
rupture of the pump or hose. See F
IG. 5.
Thermal expansion of fluid in the outlet line can cause
overpressurization. This can occur when using long fluid
lines exposed to sunlight or ambient heat, or when
pumping from a cool to a warm area (for example, from an
underground tank).
Overpressurization can also occur if the VERDERAIR
pump is being used to feed fluid to a piston pump, and the
intake valve of the piston pump does not close, causing
fluid to back up in the outlet line.
1
2
3
R
S
1
2
V
3
04616B

Related product manuals