EasyManua.ls Logo

VERDER VA 50 - Page 28

VERDER VA 50
36 pages
Print Icon
To Next Page IconTo Next Page
To Next Page IconTo Next Page
To Previous Page IconTo Previous Page
To Previous Page IconTo Previous Page
Loading...
28 819.4496
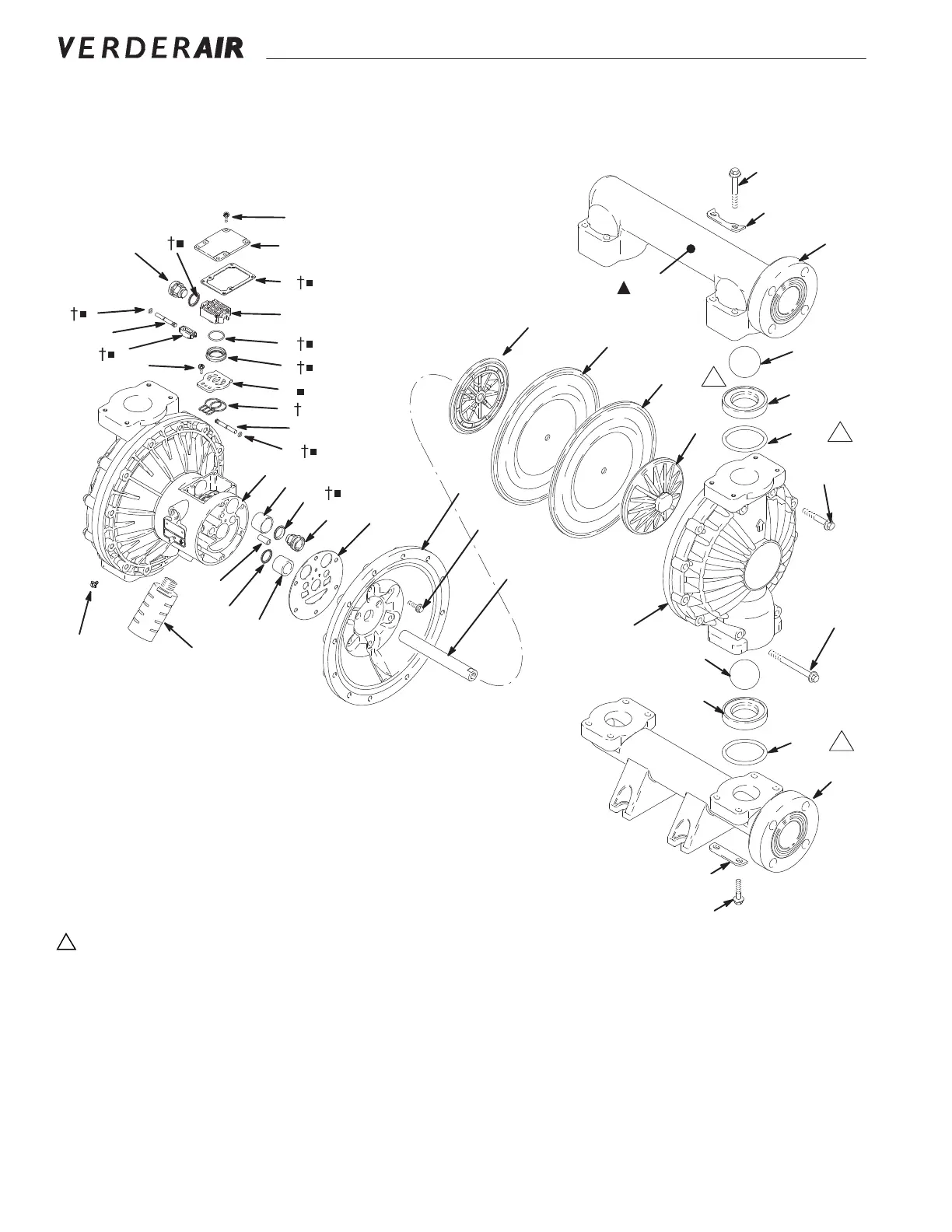
Parts
Not used on some models.
* These parts are included in the Pump Repair Kit, which may only be purchased as a kit. Refer to the Repair Kit Listing on page 27 to determine
the correct kit for your pump.
These parts are included in Air Valve Repair Kit 819.4274 (aluminum center housing models), which may only be purchased as a kit.
These parts are included in Air Valve Repair Kit 819.0249 (stainless steel center housing models), which may only be purchased as a kit.
Replacement Danger and Warning labels, tags and cards are available at no cost.
1
2
3
4
5
6
7
8
9
10
11
12
15
16
17
18
19
20
22
23
24
25
102
103
104
105
107
110
111
108
201*
202*
301*
401*
*402
403*
3
16
17
11
10
106
112
*201
*301
1
1
202*
1
101
04622D
113
114
1

Related product manuals