EasyManua.ls Logo

Viessmann ECV Series - Page 17

Viessmann ECV Series
52 pages
Print Icon
To Next Page IconTo Next Page
To Next Page IconTo Next Page
To Previous Page IconTo Previous Page
To Previous Page IconTo Previous Page
Loading...
Set-up
17
Removal of Existing Boiler
When an existing boiler is removed from
a common v enting system, the common
venting is likely t o be too large for
proper ve nting of the appliances
remaining connected to it and may
require the installation of a proper-sized
chimney liner.
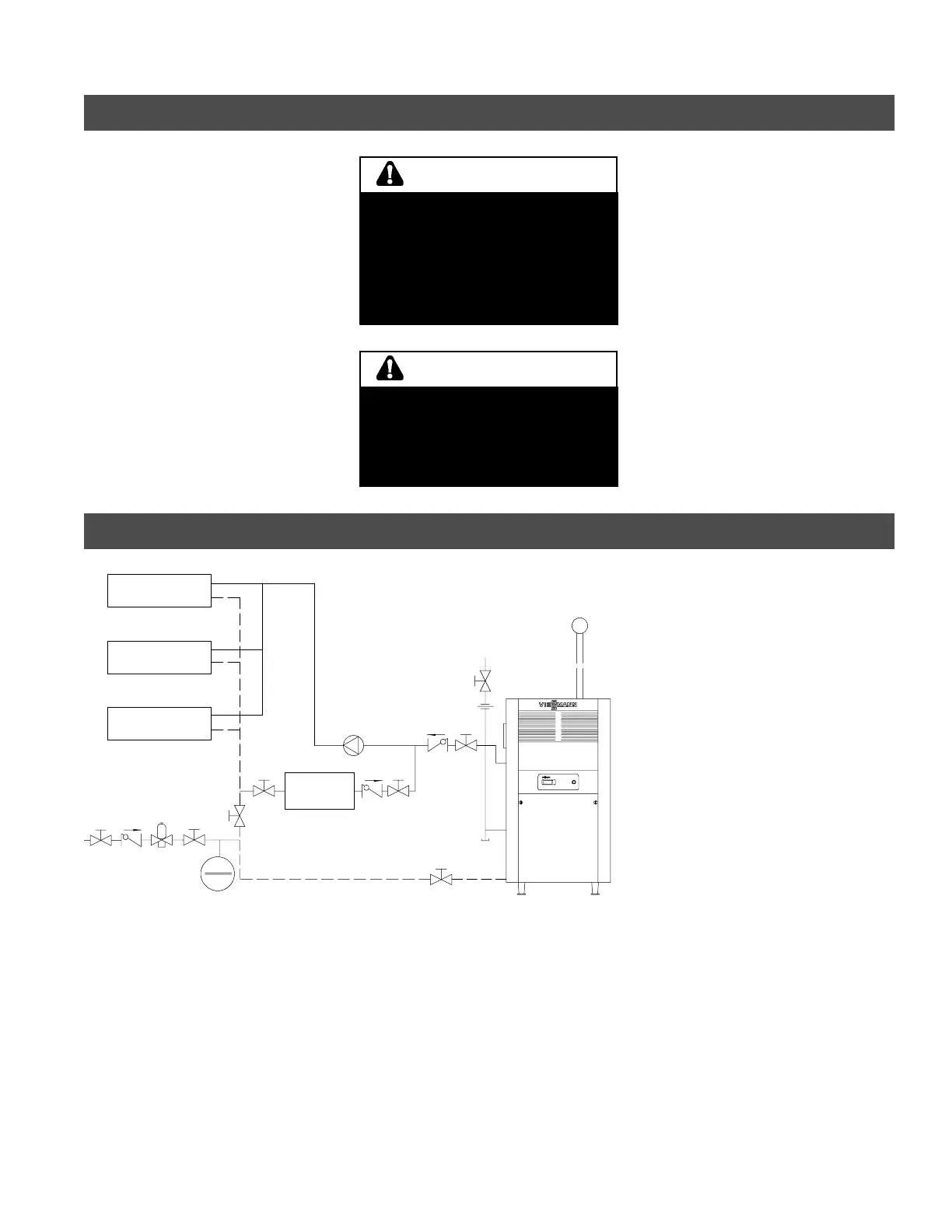
Boiler Piping in a Heating/Cooling Application
The boiler, when used in connection
with a refrigeration system, must be
installed s o the chilled medium is piped
in parallel to t he boiler with appropriate
valves to prevent t he chilled medium
from entering the boiler (see Fig. 6).
The boiler piping s ystem of a hot water
heating boiler connected to heating
coils located in air handling units where
they may be exposed to refrigerated air
circulation must be equipped with flow
control valves or other automatic means
to prevent gravity circulation of the
boiler water during the cooling cycle.
Check installat ion instructions of chiller
manufacturer carefully for additional
requirements.
Cooling s eason starts: Close valve V 1
andopenvalveV2.
Heating season s t arts: Close v alv e V2
andopenvalveV1.
A metal tag should be attached to these
valves as to purpose.
5167 450 v1.4
The Vitogas 050, ECV boiler has a
positive vent pressure when vented
horizontally with 3” or 4” pipe. Do
not common vent with any other
appliance. Failure to heed this
warning can cause carbon monoxide
poisoning which can result in severe
personal injury or loss of life.
WARNING
The gas ignition sys t em and
components must be protected from
water (dripping, spraying, rain etc.)
during appliance operation and
service (circulator replacement,
control replacement, etc.).
CAUTION
Heating/
Cooling Unit
Cooling Unit
Heating/
Heating/
Cooling Unit
Water
Chiller
VFC
V2
FC V
V1
V
AFVFCV
CP
C
F
Fig. 6

Other manuals for Viessmann ECV Series

Related product manuals