EasyManua.ls Logo

Viessmann Vitocrossal - Internal H2 Extension

Viessmann Vitocrossal
112 pages
Print Icon
To Next Page IconTo Next Page
To Next Page IconTo Next Page
To Previous Page IconTo Previous Page
To Previous Page IconTo Previous Page
Loading...
83
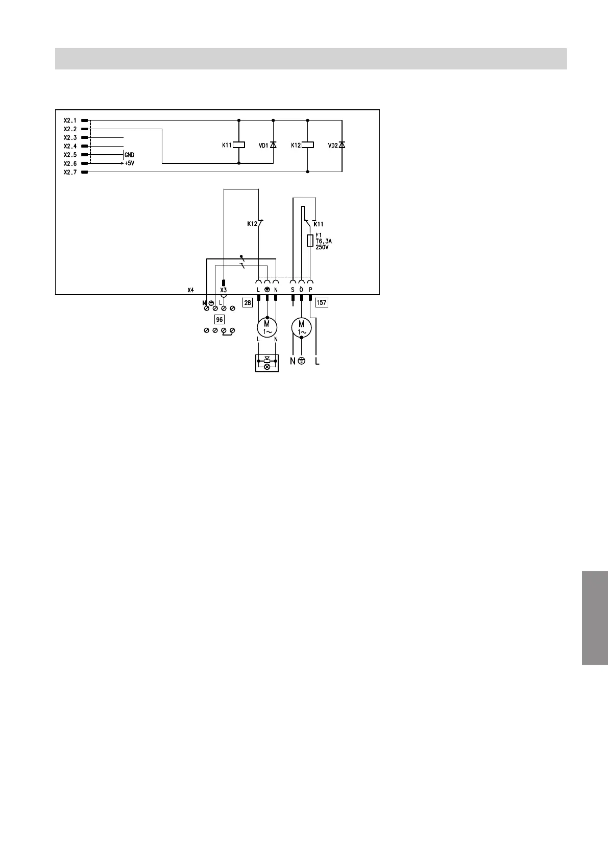
Internal H2 extension
Fig. 46
The internal extension is integrated into the control unit
enclosure. The following alternative functions can be
connected to relay output
sK
. The function is assigned
via coding address "53" in the "General" group:
Central fault message (code "53:0")
DHW circulation pump (code "53:1") (only for
weather-compensated operation)
Connect DHW circulation pumps with standalone
functions directly to the 230 V
supply.
An extractor fan can be switched off via connection
aBJ
when the burner starts.
lH
Power supply for accessories and Vitotrol 100
Function description
Internal extensions (cont.)
5839829
Functions

Table of Contents

Other manuals for Viessmann Vitocrossal

Related product manuals