EasyManua.ls Logo

Viessmann Vitocrossal - Wiring Diagram for 120 kW Boilers

Viessmann Vitocrossal
112 pages
Print Icon
To Next Page IconTo Next Page
To Next Page IconTo Next Page
To Previous Page IconTo Previous Page
To Previous Page IconTo Previous Page
Loading...
97
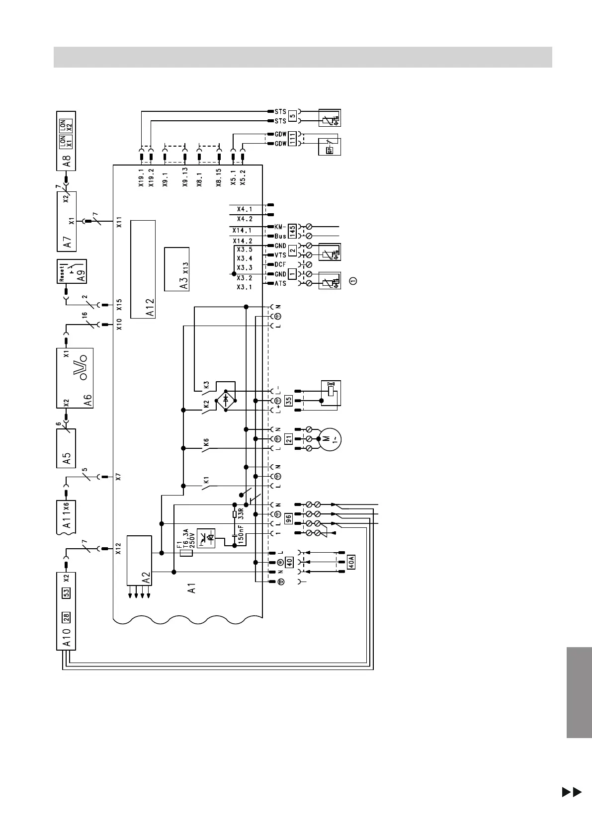
From 120 kW
Fig. 61
!
Outside temperature sensor, only with weather-
compensated system
?
Flow temperature sensor
%
Cylinder temperature sensor
sA
Circulation pump, either:
Circulation pump for cylinder heating
External heating circuit pump
DHW circulation pump
sK
Internal H1 extension
Central fault message
DHW circulation pump
External heating circuit pump
Circulation pump for cylinder heating
Code 53
dG
Gas train
Power supply
Connection and wiring diagram
Connection and wiring diagram (cont.)
5839829
Appendix

Table of Contents

Other manuals for Viessmann Vitocrossal

Related product manuals