EasyManua.ls Logo

Viessmann Vitocrossal - External Extension (Accessories); AM1 Extension

Viessmann Vitocrossal
112 pages
Print Icon
To Next Page IconTo Next Page
To Next Page IconTo Next Page
To Previous Page IconTo Previous Page
To Previous Page IconTo Previous Page
Loading...
84
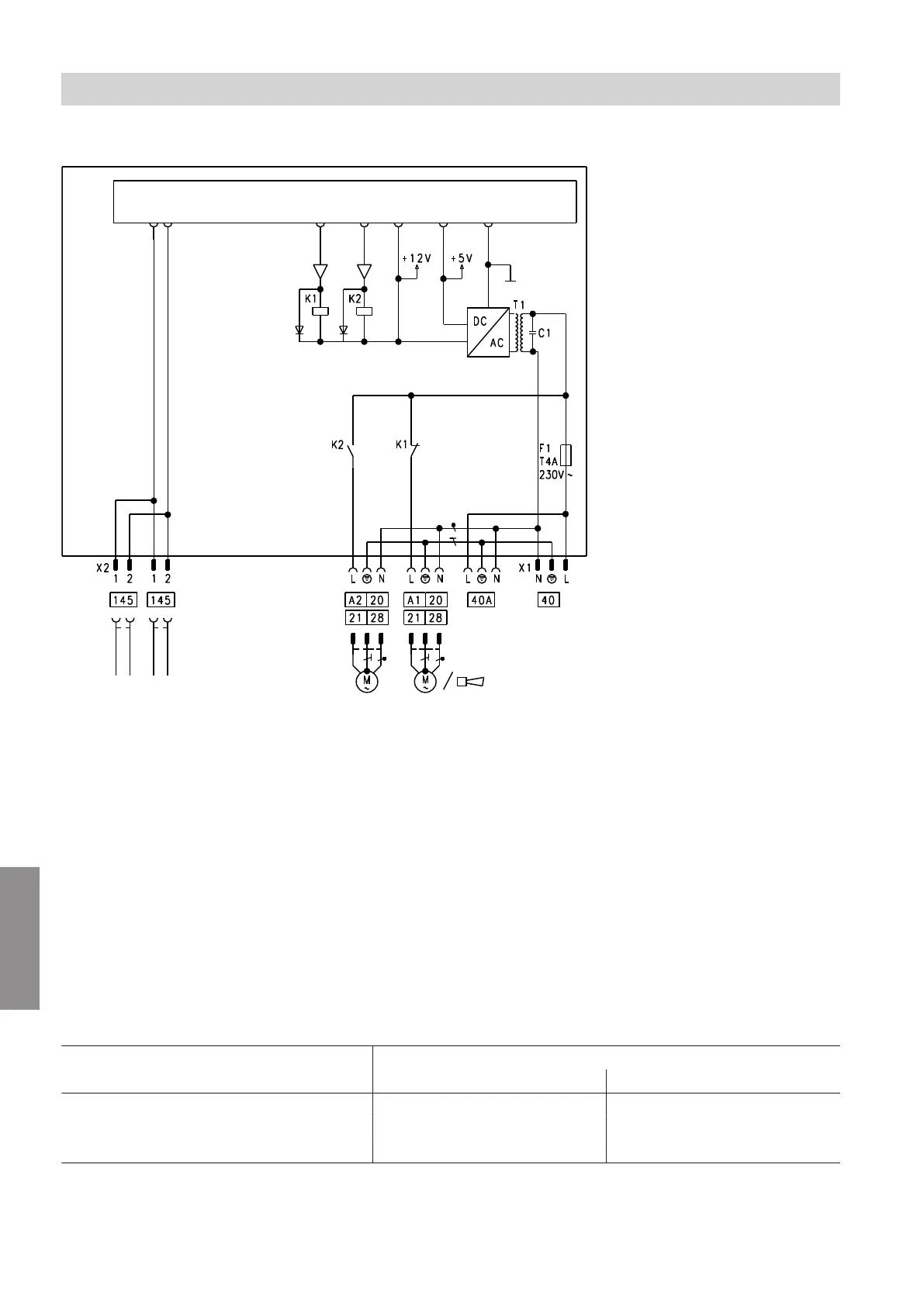
AM1 extension
Fig. 47
A1 Circulation pump
A2 Circulation pump
Power supply
A
Power supply for additional accessories
aVG
KM-BUS
Functions
One of the following circulation pumps can be connec-
ted to each of connections A1 and A2:
Heating circuit pump for heating circuit without mixer
Circulation pump for cylinder heating
DHW circulation pump (only for weather-compensa-
ted control units)
Connect DHW circulation pumps with standalone
functions directly to the 230 V
supply.
Select the output functions via parameter changes/
codes at the boiler control unit.
Function assignment
Function Parameter/code ("General" group)
Output A1 Output A2
DHW circulation pump
sK
33:0 34:0 (delivered condition)
Heating circuit pump
33:1 (delivered condition) 34:1
Circulation pump for cylinder heating
sA
33:2 34:2
Function description
External extension (accessories)
5839829
Functions

Table of Contents

Other manuals for Viessmann Vitocrossal

Related product manuals