EasyManua.ls Logo

Viessmann VITOTRONIC 050 - Page 5

Viessmann VITOTRONIC 050
56 pages
Print Icon
To Next Page IconTo Next Page
To Next Page IconTo Next Page
To Previous Page IconTo Previous Page
To Previous Page IconTo Previous Page
Loading...
5
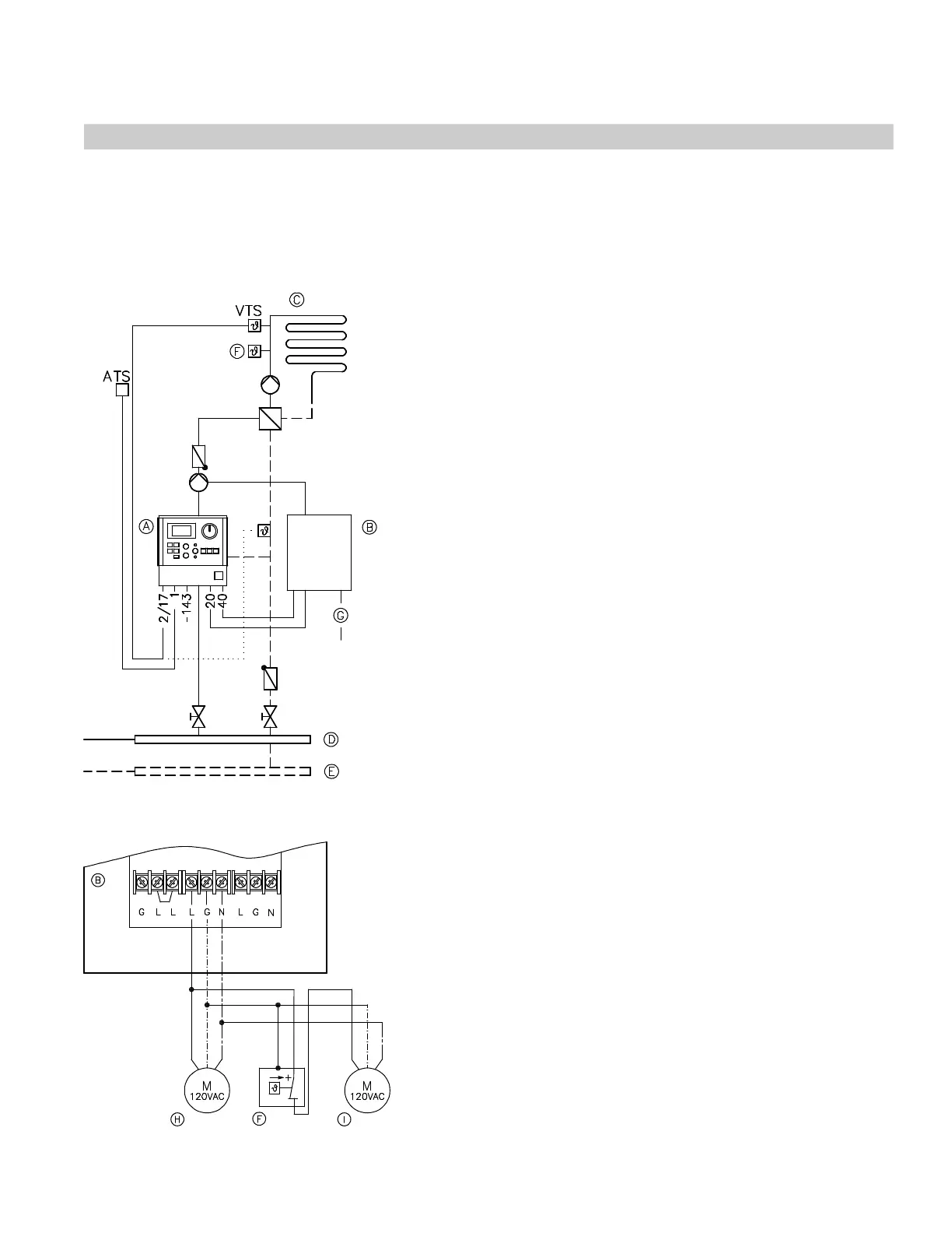
Heating system design
System version 2
System with underfloor heating system (using heat exchanger for system separation)
(with optional return temperature sensor)
Please note!
For underfloor heating system, install an aquastat to limit the maximum temperature downstream of the mixing valve and
heating circuit pump. In this case, connect the heating circuit pump to the aquastat (see diagram).
A Vitotronic 050
B Power/pump module
C Underfloor heating circuit
D Supply manifold
E Return manifold
F Limit aquastat (high limit)
G Power supply 120 VAC, 6FLA
! Outdoor temperature sensor (ATS)- X3 socket
(see page 7)
?/aJ Supply temperature sensor/ return temperature
sensor (accessory) - X6 socket (see page 7)
Heating circuit pump control (wired from PPM)
Power supply to Vitotronic 050 (wired from PPM)
aVD Connections for external controls - X5 socket
(see page 11)
Electrical connection
B Power/pump module
F Limit aquastat (high limit)
H Primary pump
I Secondary pump
5285 967 v1.2

Related product manuals