EasyManua.ls Logo

Viking VCBB362L - Wiring Diagrams; Overall Wiring Diagram

Viking VCBB362L
56 pages
Print Icon
To Next Page IconTo Next Page
To Next Page IconTo Next Page
To Previous Page IconTo Previous Page
To Previous Page IconTo Previous Page
Loading...
14
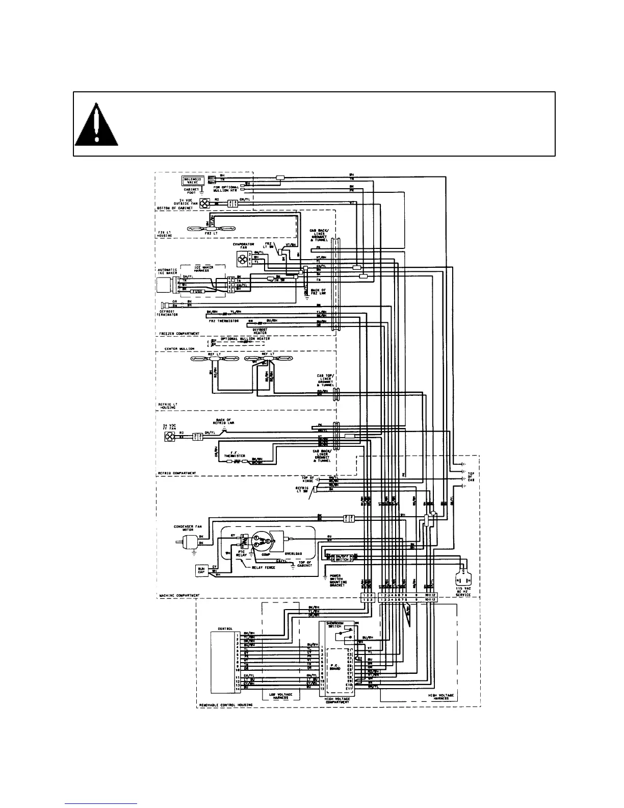
Wiring Diagram
WARNING To avoid electrical shock which can cause severe personal injury or death,
disconnect power to refrigerator using power switch before servicing. Wires removed during
disassembly must be replaced on proper terminals to insure correct earth ground and
polarization. After servicing, reconnect power using power switch.

Related product manuals