EasyManua.ls Logo

Viking VCSB420 - Line Circuits (# 11)

Viking VCSB420
63 pages
Print Icon
To Next Page IconTo Next Page
To Next Page IconTo Next Page
To Previous Page IconTo Previous Page
To Previous Page IconTo Previous Page
Loading...
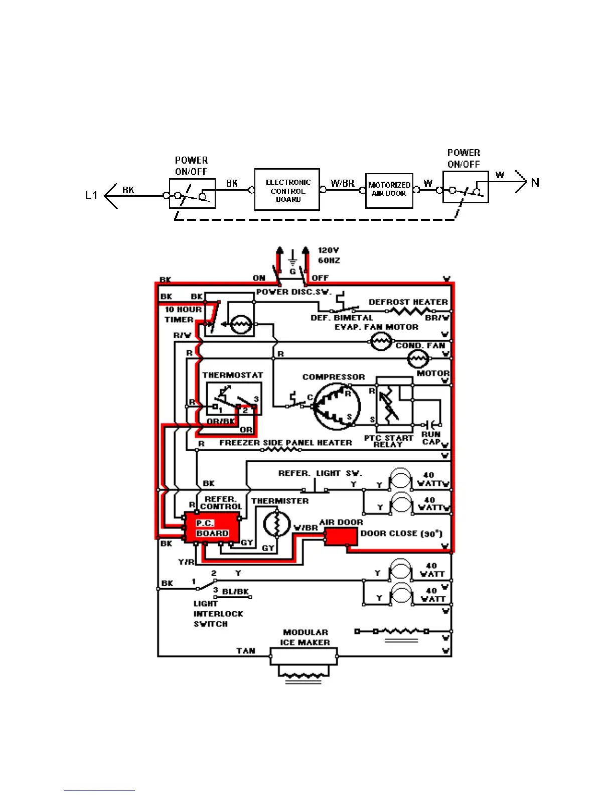
LINE CIRCUITS (# 11)
The Cooling Cycle
11. Refrigerator Control Satisfied -- Motorized Air Door Closing
WATER VALVE
56

Related product manuals