EasyManua.ls Logo

Viking VGRC485 - Oven Thermostat Operation; Thermostat Continuity Testing; Thermostat Calibration Procedure

Viking VGRC485
40 pages
Print Icon
To Next Page IconTo Next Page
To Next Page IconTo Next Page
To Previous Page IconTo Previous Page
To Previous Page IconTo Previous Page
Loading...
20
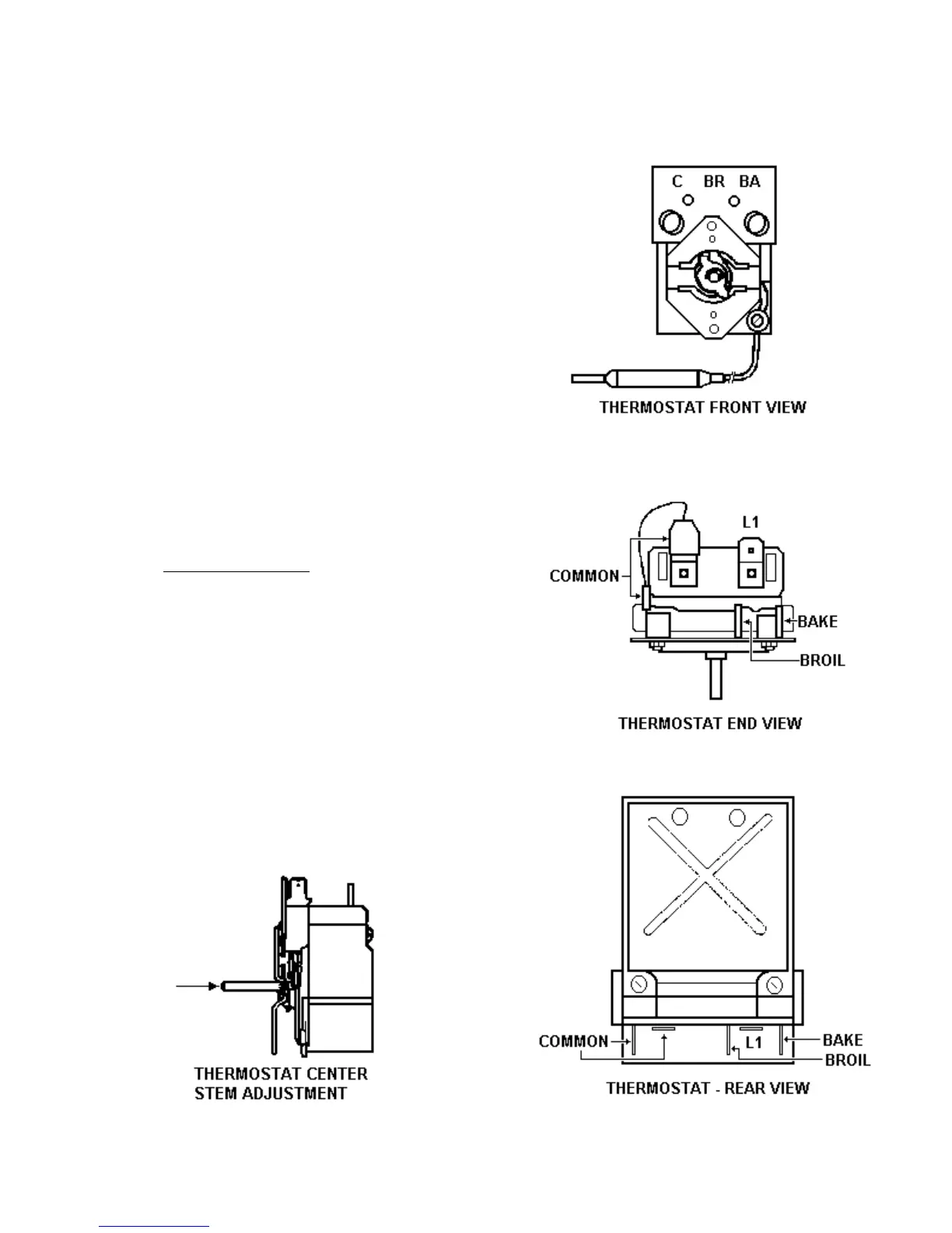
OVEN THERMOSTAT
The oven thermostat maintains the correct oven
temperatures in the bake and broil operations.
In bake operation, thermostat contacts close completing
the bake circuit through the bake ignitor, and bake gas
valve to neutral.
In broil operation, thermostat contacts close completing
the broil circuit through the broil ignitor and broil gas
valve to neutral.
The thermostat contacts can be checked for continuity
by using a continuity tester or an ohmmeter set to the
low ohms range. Power to the oven must be turned off
and the thermostat wiring removed when checking the
contacts for continuity. Access to the thermostat
contacts can be made by removing the control panel.
Replace the thermostat if the switch contacts are
defective.
THERMOSTAT CALIBRATION
Use the Oven Calibration Chart
to determine the need
for a calibration. (See the preceding page.)
1. Remove the thermostat control knob.
2. Remove the silicone gel from thermostat shaft.
3. Turn adjusting screw counter clockwise to
increase the temperature. (1/4 turn equals 37*F.
DO NOT TURN MORE THAN 1/4 TURN.)
4. Turn adjusting screw clockwise to decrease the
temperature. (1/4 turn equals 37*F. DO NOT
TURN MORE THAN 1/4 TURN.)
5. Follow the instructions on the Oven Calibration
Chart to calibrate oven temperature. (See the
preceding page.)

Other manuals for Viking VGRC485

Related product manuals