EasyManua.ls Logo

Vivotek SD9366-EH - Page 23

Vivotek SD9366-EH
473 pages
Print Icon
To Next Page IconTo Next Page
To Next Page IconTo Next Page
To Previous Page IconTo Previous Page
To Previous Page IconTo Previous Page
Loading...
VIVOTEK
User's Manual - 23
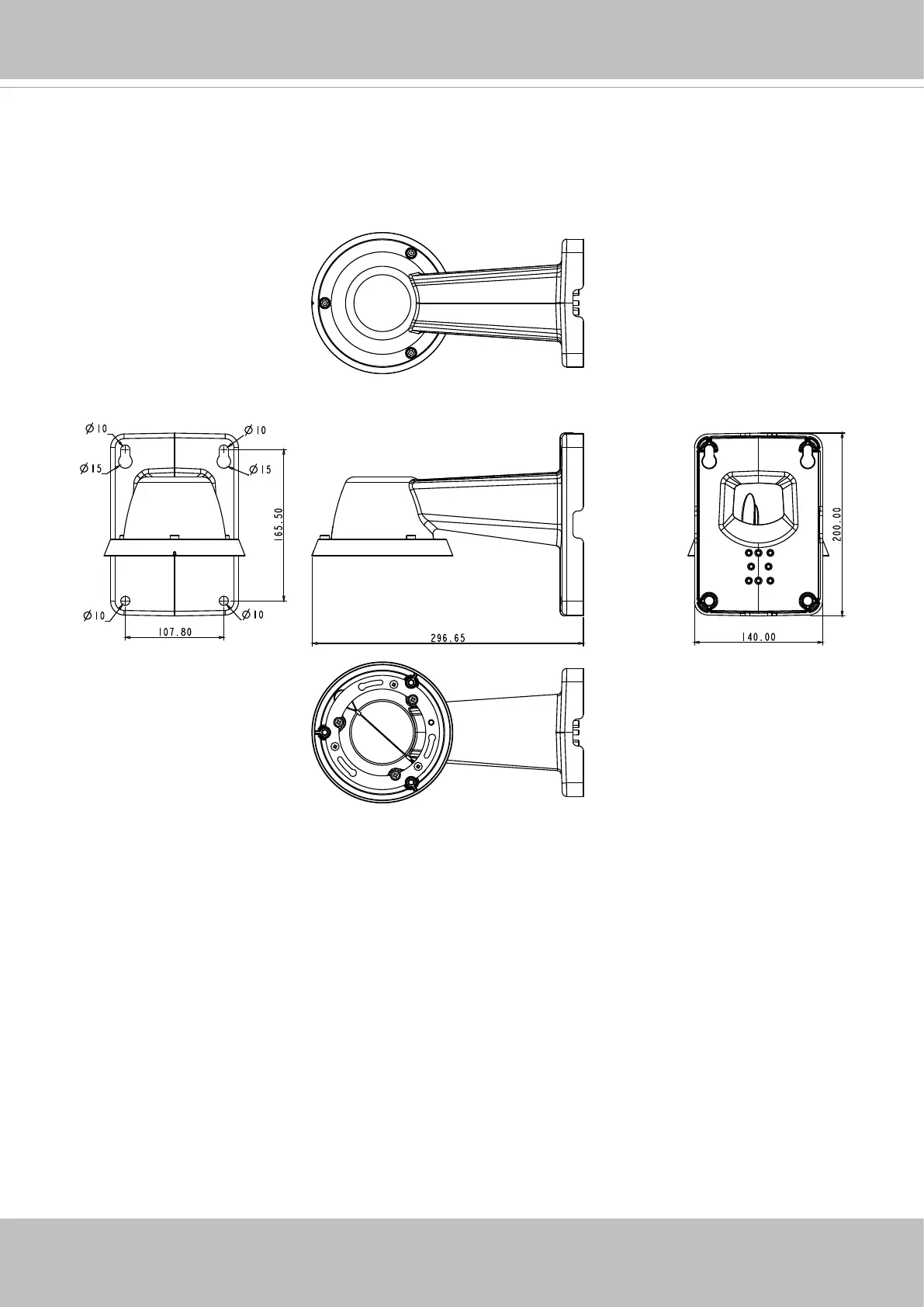
Mechanical Dimensions
Shown below are the dimensions of the wall mount bracket and its mounting holes:
You can nd the installation instructions on VIVOTEK’s website for other options such as para-
pet mount: http://www.vivotek.com/web/product/accessories.aspx

Table of Contents

Related product manuals