EasyManua.ls Logo

Vogt VT40 - Page 68

Default Icon
76 pages
Print Icon
To Next Page IconTo Next Page
To Next Page IconTo Next Page
To Previous Page IconTo Previous Page
To Previous Page IconTo Previous Page
Loading...
Vogt
®
VT Service Manual 8-17
Service Operations
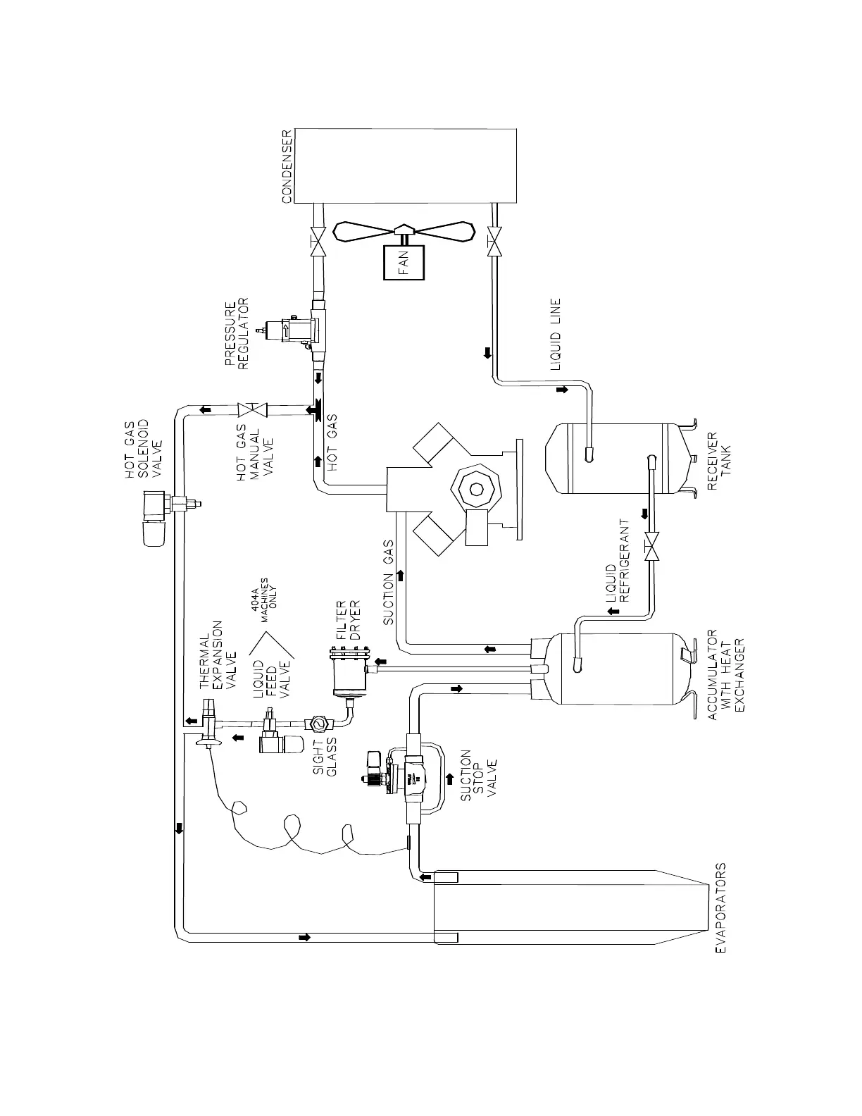
FIGURE 8-17
Harvest Cycle Schematic (w/Suction Stop Valve)
(VT80 & VT100)

Other manuals for Vogt VT40

Related product manuals