EasyManua.ls Logo

Volvo Penta TAMD162C - Page 48

Volvo Penta TAMD162C
84 pages
Print Icon
To Next Page IconTo Next Page
To Next Page IconTo Next Page
To Previous Page IconTo Previous Page
To Previous Page IconTo Previous Page
Loading...
46
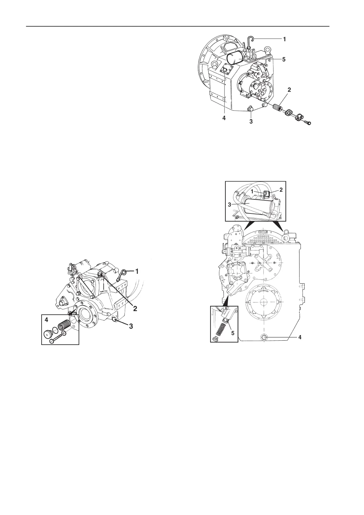
Reverse gear oil filter replacement
MPM IRM350A, Twin Disc MG 516
Remove the oil filter using the special tool. Moisten the
filter gasket with oil and screw into position by hand.
Tighten filter in place with a further 3/4 turn.
MPM IRM 350A
1. Oil dipstick 3. Drain plug
2. Oil strainer 4. Oil filler plug
5. Oil filters
Twin Disc MG 516
1. Oil dipstick 3. Oil filters
2. Ventilation cap, oil filler 4. Oil plug
5. Suction screen
Cleaning the reverse gear oil
screen
Remove and clean the oil screen. Check gaskets. Rein-
stall the parts removed and check for leaks.
Twin Disc MG 5114A
1. Oil dipstick 3. Oil plug
2. Ventilation cap, oil filler 4. Suction screen

Related product manuals