EasyManua.ls Logo

Volvo Penta TAMD73P - Page 79

Volvo Penta TAMD73P
124 pages
Print Icon
To Next Page IconTo Next Page
To Next Page IconTo Next Page
To Previous Page IconTo Previous Page
To Previous Page IconTo Previous Page
Loading...
Auxiliary panel
1. Instrument lighting
2. Oil pressure gauge, reverse
gear
3. Turbo charging pressure
gauge
4. Connection to instr. light. on
main panel
5. Connection to printed circuit
card on main panel
6. Connection to connector (18)
on main panel
Conversions mm
2
/AWG*
*American Wiring Gauge
mm
2
1.0 1.5 2.5 10 16
AWG 16 (17) 15 (16) 13 7 5
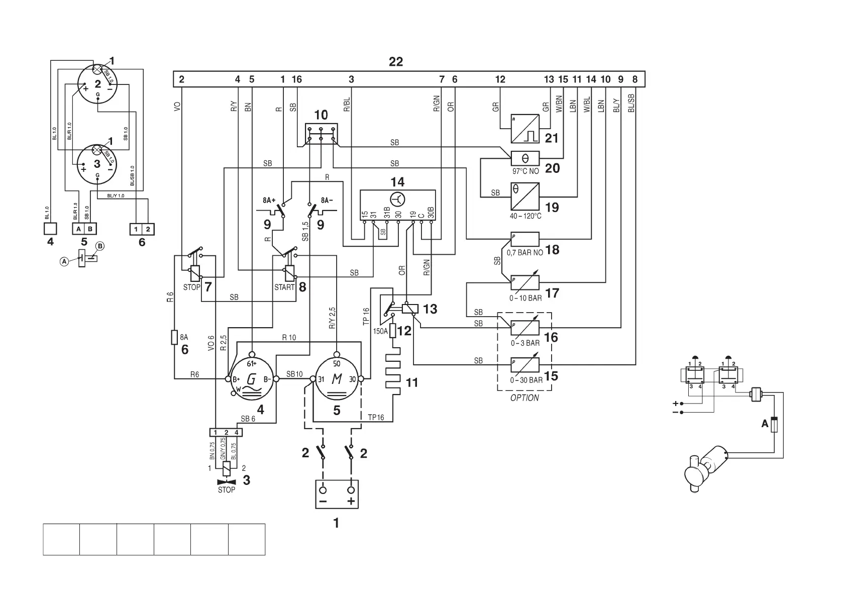
Engine
Note. The components in the wiring diagram
have the same numbers as shown in the
key diagrams on page 66.
1. Battery
2. Main ON/OFF power switch
3. Fuel shut-off valve
4. Generator
5. Starter motor
6. Fuel shut-off valve fuse (8A)
7. Stop relay*
8. Starter relay*
9. Semi-automatic fuses (8A) *
10. Ground terminal*
11. Starter element
12. Fuse (150A) for starter element
13. Relay for starter element
14. Time relay for starter element*
15. Oil pressure sender, reverse gear
16. Pressure sender, Turbo boost pressure
17. Oil pressure sender, engine
18. Oil pressure switch, engine
19. Engine coolant temperature sender
20. Coolant temperature switch
21. Engine speed (rpm) sender
22. 16-pin connector*
*Located in the junction box
Suggested connection of oil scaveng-
ing pump (pumping and filling)
Cable area 1.5 mm
2
.
A. Fuse (8A/24V, or 15A/12V)
NO = Normally open during operation
A broken line indicates a non-Volvo Penta cable.
Cable color
BL = Blue R = Red
LBL = Light-blue SB = Black
BN = Brown TP = Transparent
LBN = Light-brown (colorless)
GN = Green VO = Violet
GR = Gray W = White
OR = Orange Y = Yellow
7740156 - Downloaded from www.volvopenta.com 22/07/2009 00:44:08

Related product manuals