EasyManua.ls Logo

Volvo Penta TAMD73P - Page 90

Volvo Penta TAMD73P
124 pages
Print Icon
To Next Page IconTo Next Page
To Next Page IconTo Next Page
To Previous Page IconTo Previous Page
To Previous Page IconTo Previous Page
Loading...
88
TAMD63, TAMD71, TAMD73, TAMD74
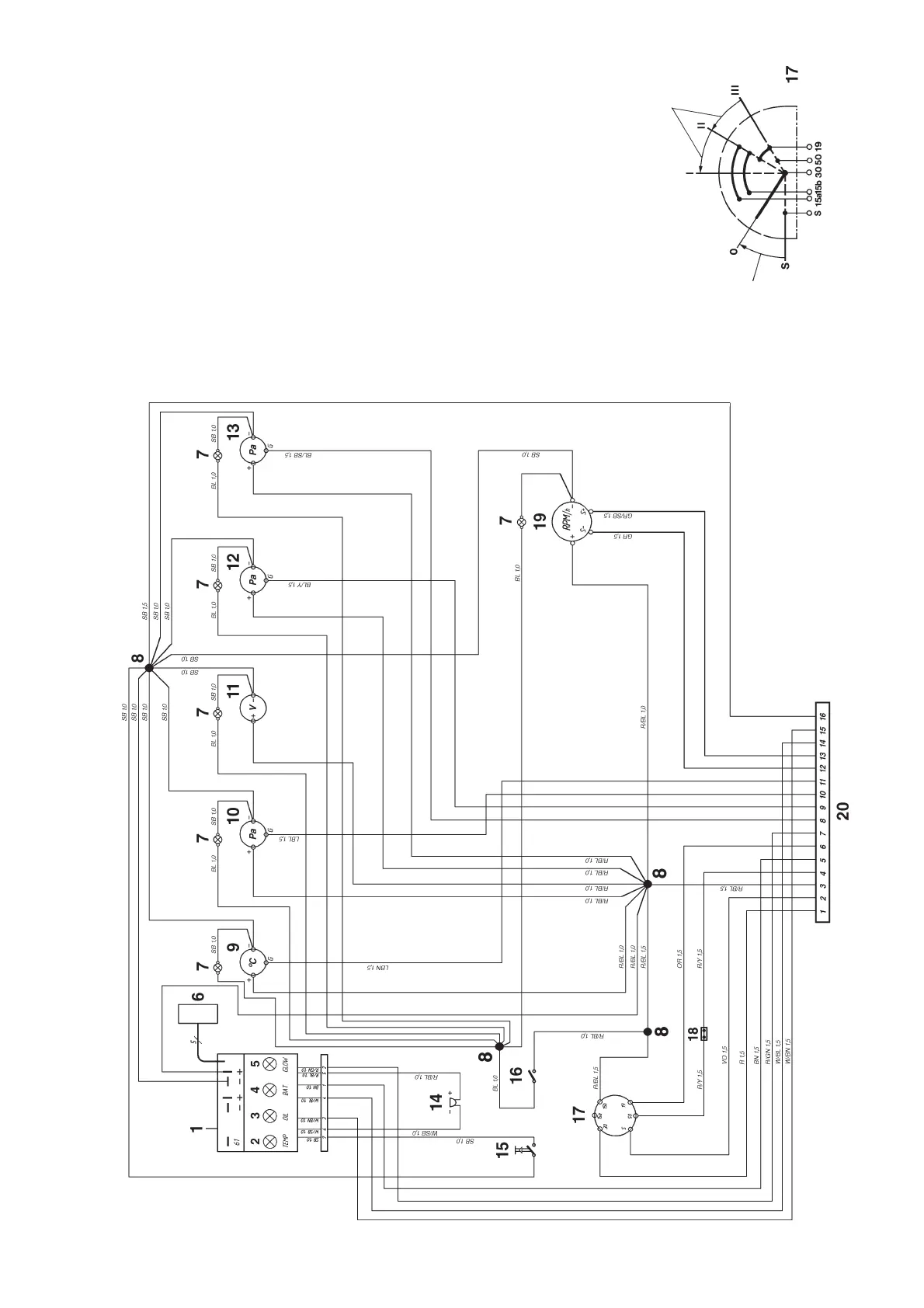
Extra instrument kit for wheel house
1. Electronics module (alarm)
2. Engine coolant temperature warning lamp
3. Oil pressure warning lamp
4. Charge warning lamp
5. Control lamp, pre-heating (TAMD71B)
6. Connector for extra warning display
(accessory)
7. Instrument lighting
8. Connector (cannot be opened)
9. Engine coolant temperature gauge
10. Oil pressure gauge
11. Voltmeter
12. Turbo charging pressure gauge
13. Oil pressure gauge, reverse gear
14. Alarm
15. Alarm test/acknowledgement switch
16. Switch, instrument panel lighting
17. Key switch
18. Connector for connecting neutral position
switch, if fitted (accessory)
19. Tachometer with built-in hours run meter
20. 16-pin connector
Spring loaded
Spring loaded
7740156 - Downloaded from www.volvopenta.com 22/07/2009 00:44:08

Related product manuals