EasyManua.ls Logo

W'eau WFI-028T - Electrical wiring; Electric wiring diagram

W'eau WFI-028T
64 pages
Print Icon
To Next Page IconTo Next Page
To Next Page IconTo Next Page
To Previous Page IconTo Previous Page
To Previous Page IconTo Previous Page
Loading...
- 10 -
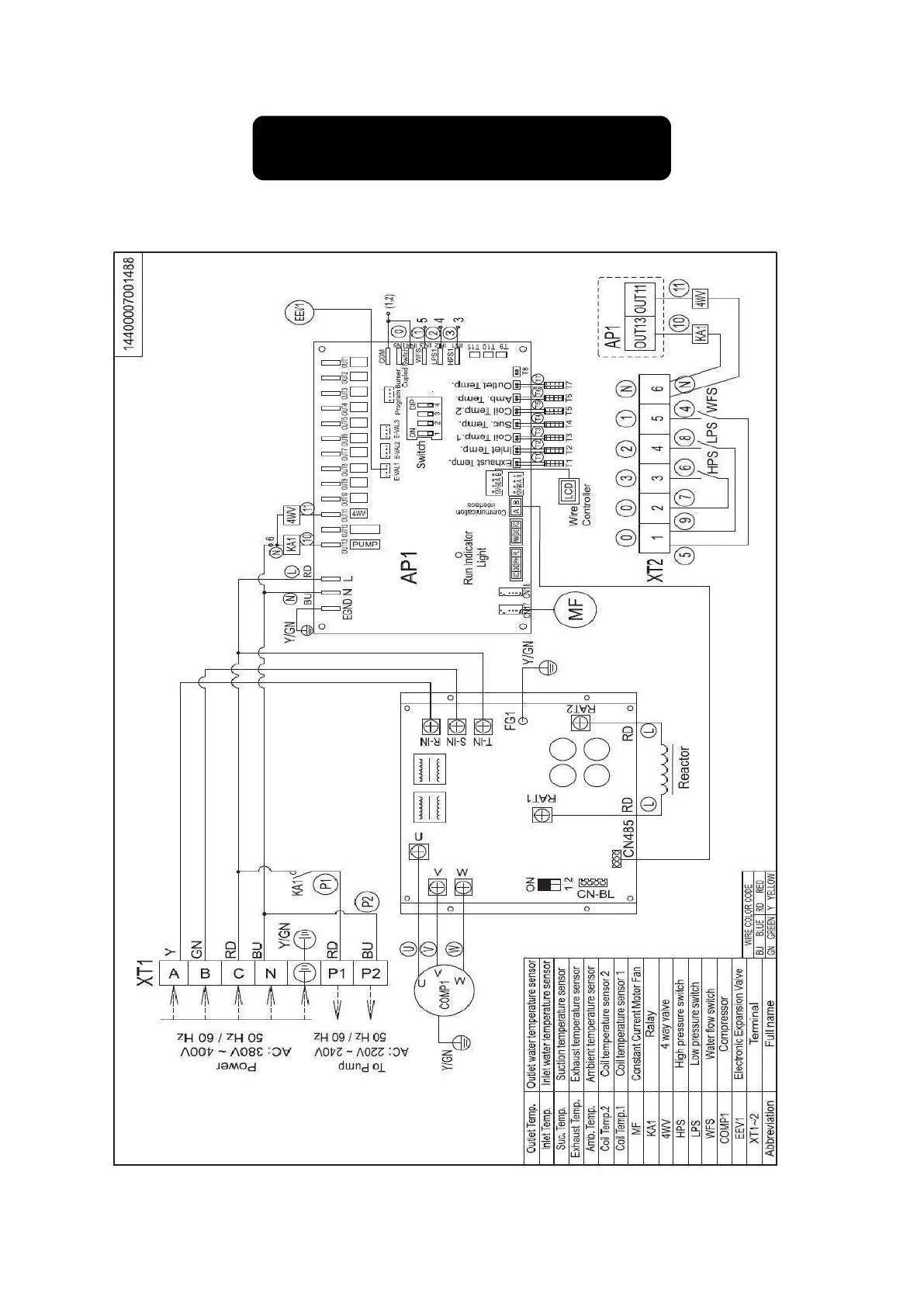
5. Electrical wiring
5.1 Electric wiring diagram
WFI-028T/35T

Related product manuals