EasyManua.ls Logo

W'eau WFI-028T - Page 42

W'eau WFI-028T
64 pages
Print Icon
To Next Page IconTo Next Page
To Next Page IconTo Next Page
To Previous Page IconTo Previous Page
To Previous Page IconTo Previous Page
Loading...
- 40 -
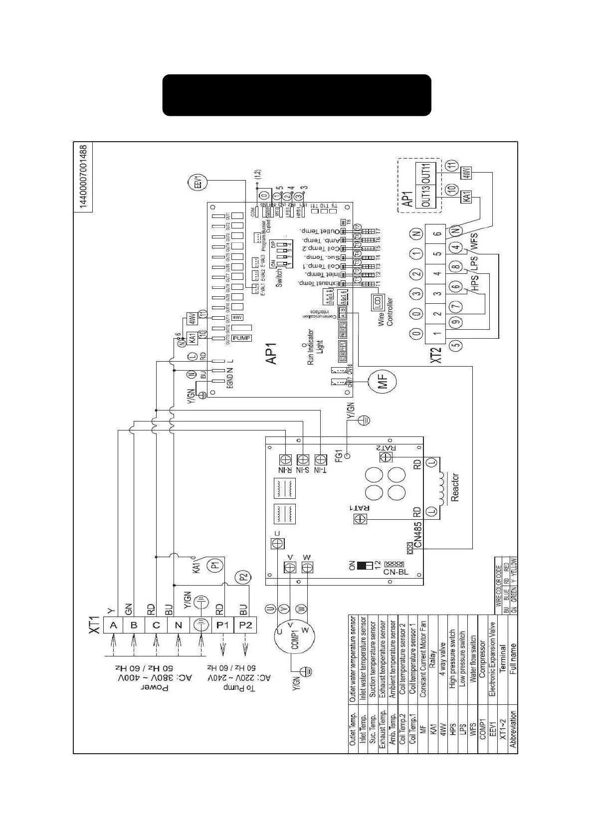
5. Elektrische bedrading
WFI-028T/035T

Related product manuals