EasyManua.ls Logo

WABCO 2S/2M - Page 18

WABCO 2S/2M
40 pages
Print Icon
To Next Page IconTo Next Page
To Next Page IconTo Next Page
To Previous Page IconTo Previous Page
To Previous Page IconTo Previous Page
Loading...
18
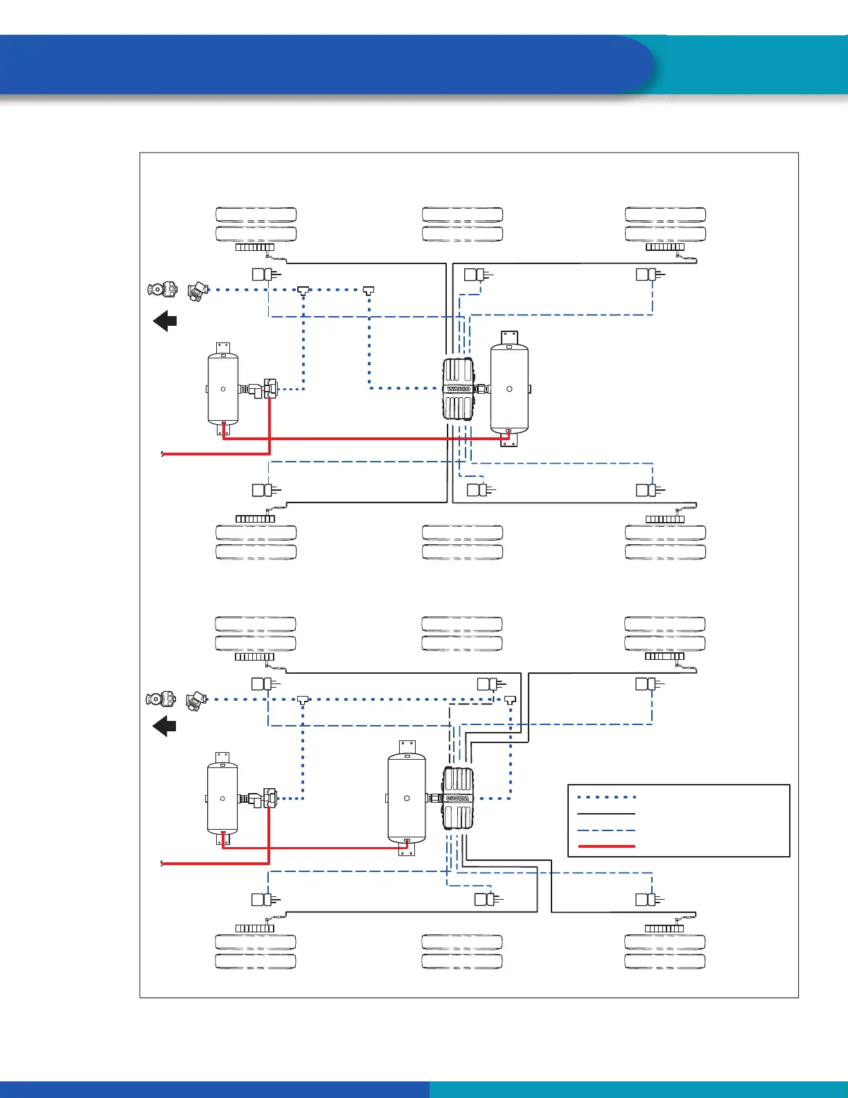
Installation
Fig. 14
D
C
F
E
POW
ER
S
U
PPLY
A
B
S
S
E
N
S
O
R
F
A
B
S
S
E
N
S
O
R
D
GIO 1
S
U
B
SYS
TEM
/
D
IA
G
N
O
S
TIC
3rd
M
ODULA
T
OR
/
GIO 2
A
B
S
S
EN
S
O
R
E
A
B
S
S
EN
S
O
R
C
P
O
WE
R
SUP
P
LY
A
BS SEN
SO
R
F
A
BS SEN
SO
R
D
GI
O
1
SUBS
Y
S
T
E
M
/
D
I
A
G
N
O
S
T
I
C
3r
d
M
OD
ULA
TOR/GI
O
2
A
BS
S
E
N
SOR E
A
BS SEN
SOR C
4S/2M TYPICAL TRI-AXLE — VALVE MOUNTED WITH CONTROL PORT
FACING FRONT OF TRAILER — SIDE-TO-SIDE CONTROL
FRONT OF
TRAILER
E
F
C
D
4S/2M TYPICAL TRI-AXLE — VALVE MOUNTED WITH CONTROL PORT
FACING REAR OF TRAILER — SIDE-TO-SIDE CONTROL
FRONT OF
TRAILER
NOTE: Spring brake
lines not shown.
SERVICE/CONTROL LINES
SENSOR CABLES
SERVICE BRAKE
SUPPLY AIR
NOTE: Spring brake
lines not shown.
4013990a

Related product manuals