EasyManua.ls Logo

Wacker Neuson G 240 - Panel de Control

Wacker Neuson G 240
200 pages
Print Icon
To Next Page IconTo Next Page
To Next Page IconTo Next Page
To Previous Page IconTo Previous Page
To Previous Page IconTo Previous Page
Loading...
Operación G 150 / 180 / 240
wc_tx000867es.fm 22
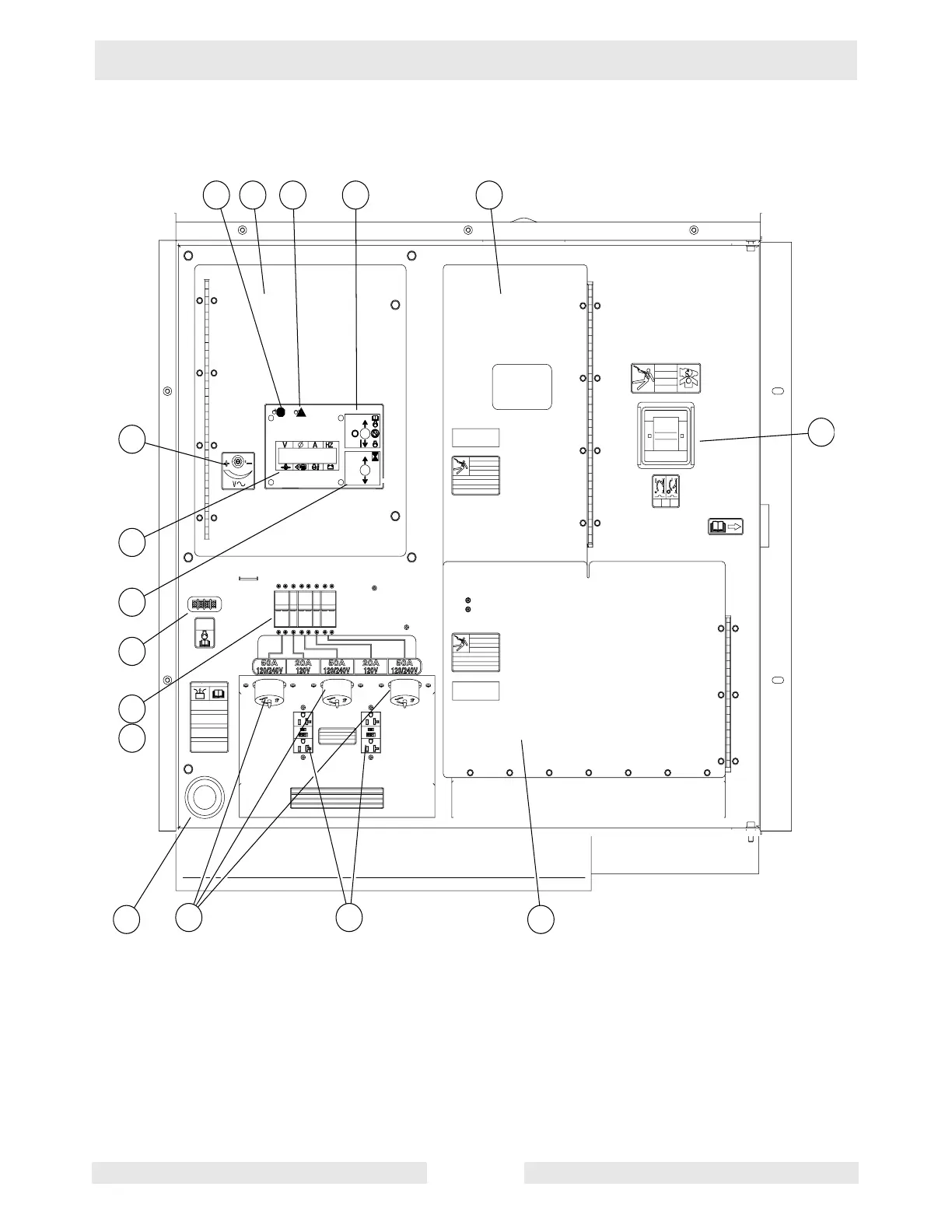
2.2 Panel de control
wc_gr005090
m n
ud
e a t
b
f h
c
g
j
o
l
k
Plantas de luz wacker G 240s | VENTA y RENTA
Autek Maquinaria ¡Llámenos! (55) 5392-7077

Table of Contents

Other manuals for Wacker Neuson G 240