EasyManua.ls Logo

Wacker Neuson G 240

Wacker Neuson G 240
200 pages
To Next Page IconTo Next Page
To Next Page IconTo Next Page
To Previous Page IconTo Previous Page
To Previous Page IconTo Previous Page
Loading...
Esquema G 150 / 180 / 240
wc_tx000879es.fm 66
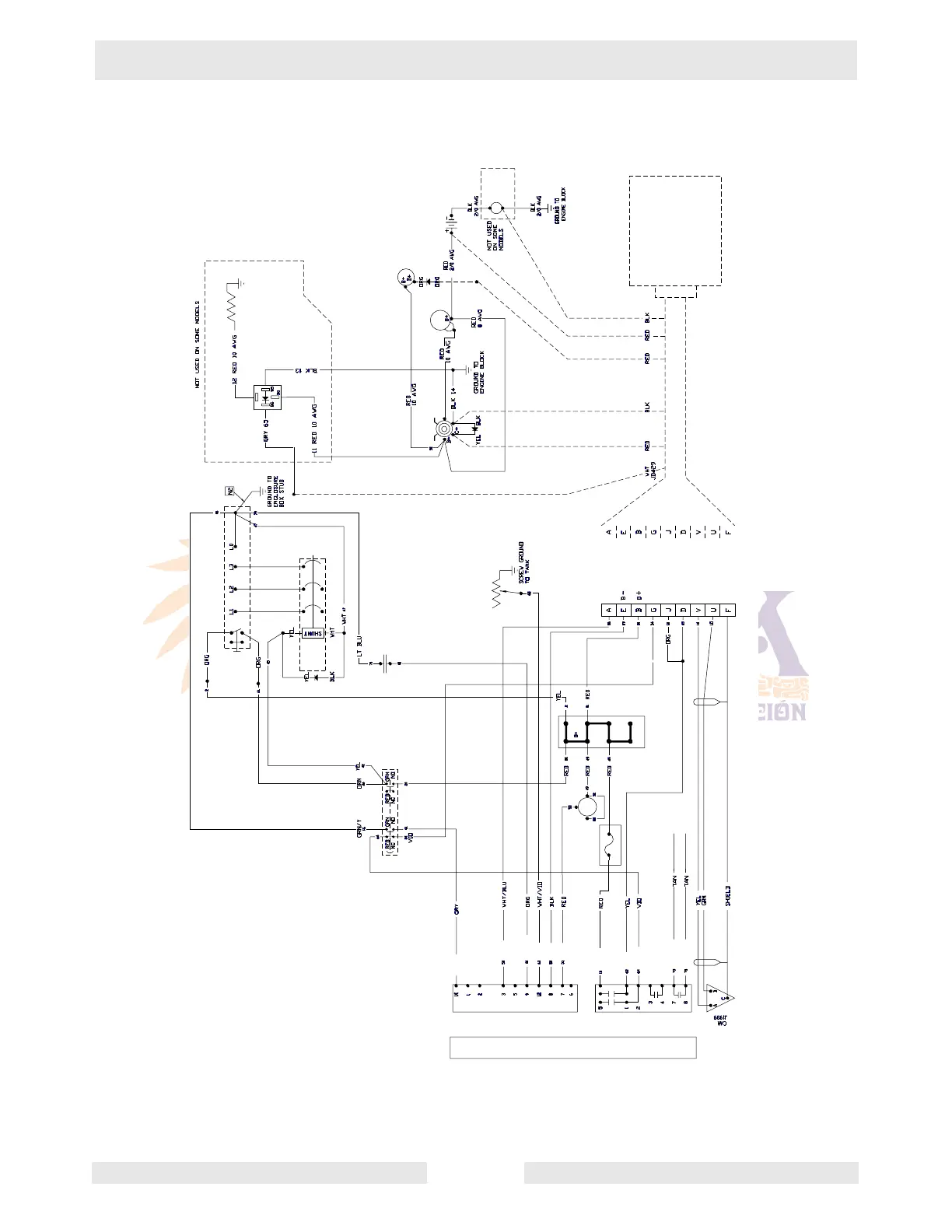
5. Esquema
5.1 Esquema de CC (G 150 / G 180 / G 240)
wc_gr005459
1
3
4
5
6
7
8
9
9
10
11
21
35
20
19
18
17
16
15
13
33
32
31
30
29
28
27
26
25
24
23
34
14
22
12
12
2
Plantas de luz wacker G 240s | VENTA y RENTA
Autek Maquinaria ¡Llámenos! (55) 5392-7077

Table of Contents

Other manuals for Wacker Neuson G 240