EasyManua.ls Logo

Wacker Neuson G 240

Wacker Neuson G 240
200 pages
To Next Page IconTo Next Page
To Next Page IconTo Next Page
To Previous Page IconTo Previous Page
To Previous Page IconTo Previous Page
Loading...
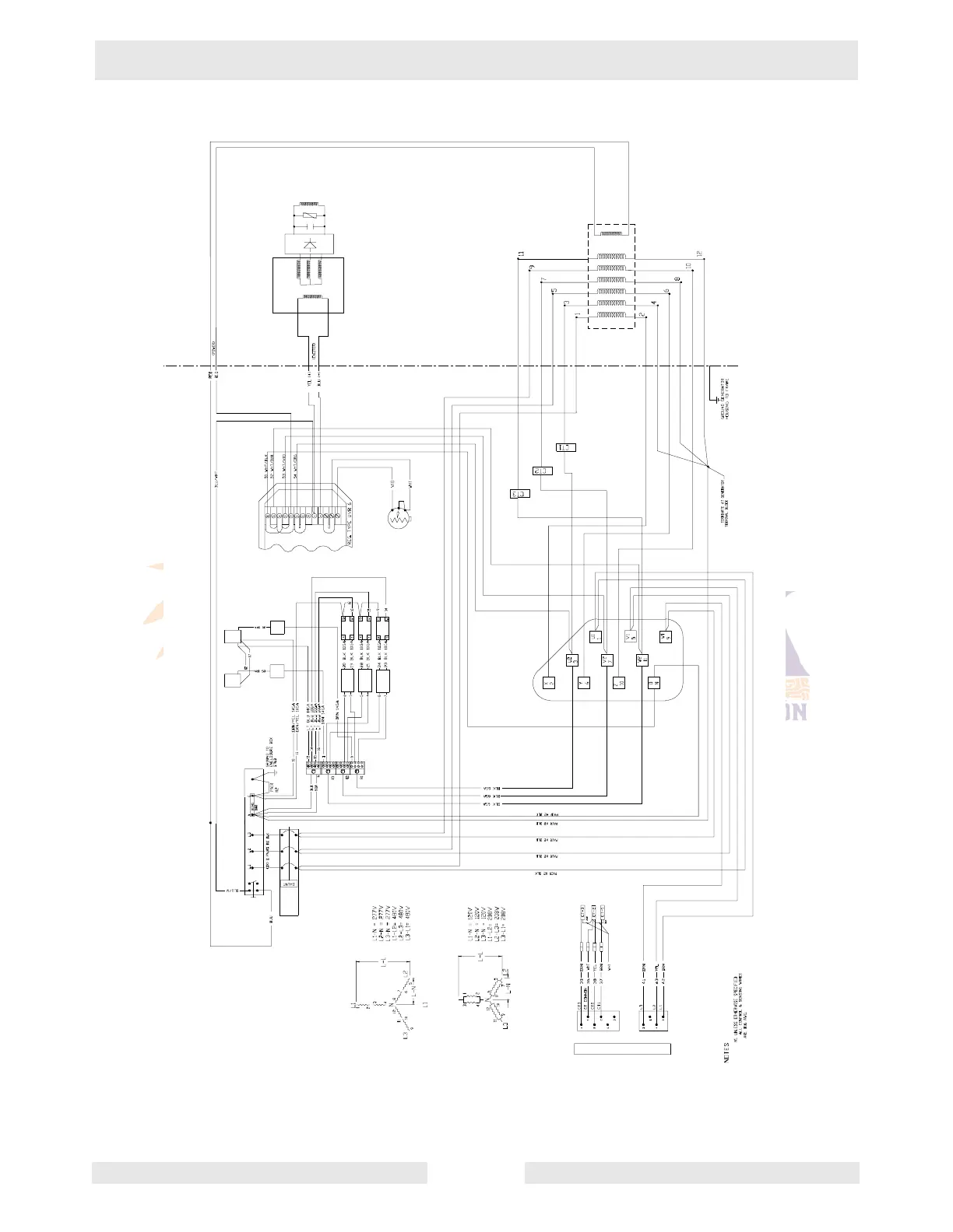
Esquema G 150 / 180 / 240
wc_tx000879es.fm 70
5.5 Esquema de CA (G 240)
wc_gr005460
1
2
4
5
6
7
10 20
20
20
11
12
17
13
14
15
16
21
1819
10
10
8
8
99
3
Plantas de luz wacker G 240s | VENTA y RENTA
Autek Maquinaria ¡Llámenos! (55) 5392-7077

Table of Contents

Other manuals for Wacker Neuson G 240