EasyManua.ls Logo

Wacker Neuson GP 6600A - Page 77

Wacker Neuson GP 6600A
130 pages
Print Icon
To Next Page IconTo Next Page
To Next Page IconTo Next Page
To Previous Page IconTo Previous Page
To Previous Page IconTo Previous Page
Loading...
GP Repair Troubleshooting
wc_tx000548gb.fm 73
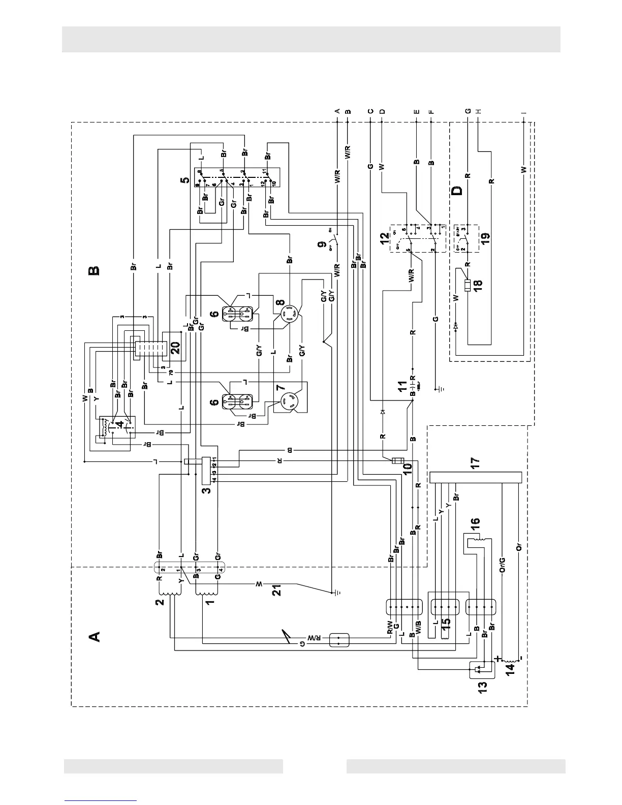
wc_gr003415
z
y

Table of Contents

Other manuals for Wacker Neuson GP 6600A

Related product manuals